優質的服務流程
· quality of service processes ·

需求溝通傾聽客戶需求,了解用戶使用環境和現場工況
方案設計根據現場實際工況,針對性出具解決方案
合同簽訂技術和商務規范確認,簽訂合作協議
產品制作選擇最優質的元器件,嚴格按照技術協議
調試安裝現場規范安裝,靜態動態調試,分析儀運行
售后服務后續維護,持續跟進,終身維修

全國熱線
銷售熱線
公司地址山(shan)東濟(ji)南市槐蔭區太平河南路(lu)1567號均(jun)和云谷濟(ji)南匯智港6號樓
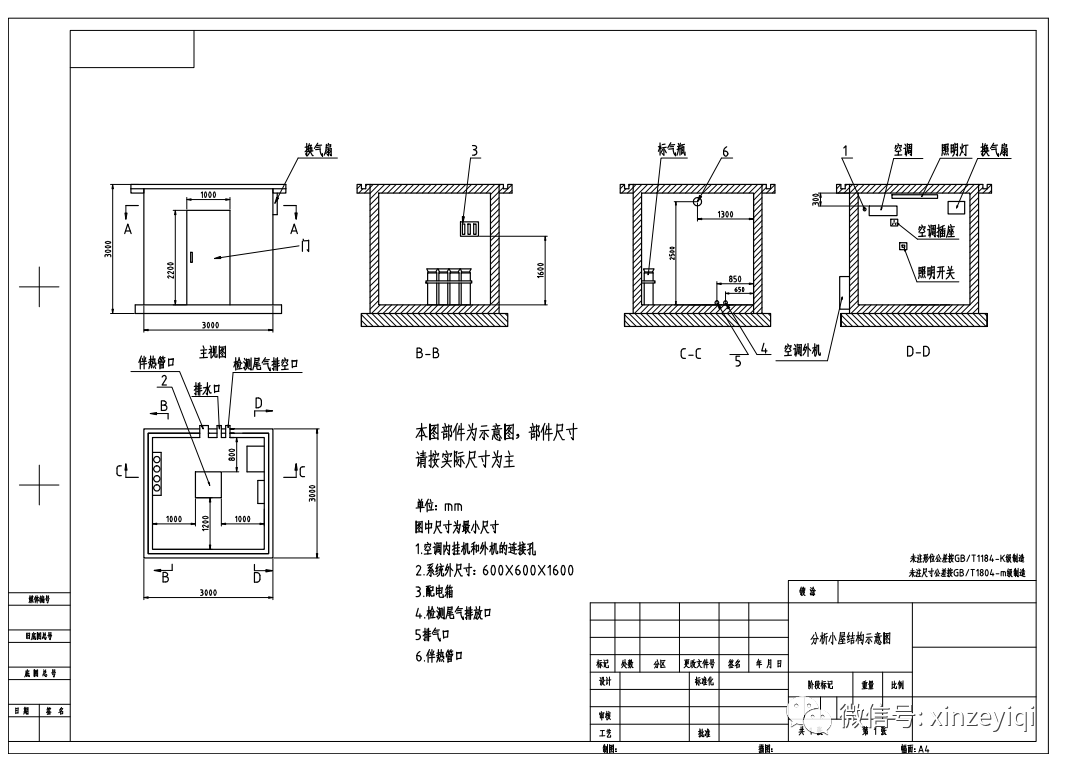
分(fen)析小(xiao)屋(wu),也可以稱(cheng)為(wei)現場分(fen)析小(xiao)屋(wu)。它(ta)是一種安(an)裝分(fen)析儀(yi)的(de)封(feng)閉型構(gou)筑物,分(fen)析儀(yi)的(de)操作維(wei)護在小(xiao)屋(wu)內進行。
分析小屋集在線氣(qi)體(ti)分析儀(yi)表及(ji)樣(yang)品處(chu)理系(xi)統(tong)于一體(ti),并配(pei)備有供配(pei)電、空(kong)調系(xi)統(tong)、照明及(ji)氣(qi)體(ti)分析儀(yi)表所需載氣(qi)、標準氣(qi)、儀(yi)表空(kong)氣(qi)等基本設(she)備。
施工(gong)要求
l 分(fen)析小(xiao)屋:位(wei)(wei)置選擇(ze)原則為“就近原則”,應(ying)盡量(liang)靠近采樣探頭位(wei)(wei)置,采樣探頭的加熱輸(shu)送管線應(ying)盡量(liang)短
l 墻:應采用合適的材料滿足(zu)有關的結構(gou)和安全要求;(磚(zhuan)砌墻體:墻體結構(gou)為實(shi)心磚(zhuan)砌,內(nei)外(wai)墻粉刷混(hun)凝土和白粉灰(hui),小屋墻頂(ding)實(shi)行混(hun)凝土現場澆灌平頂(ding),進行防漏和隔熱處理;
l 地面:室內地面標高應高于室外地面標高至少200mm;地面應能防滑、防滲,必要時采用耐酸、堿地面。地面基礎荷載強度2000kg/m2;
l 窗:宜采用密閉固定窗;
l 開(kai)(kai)孔(kong):在監測房內放置機柜背(bei)面墻壁(必要時側墻也可以,依據(ju)現場走線方(fang)便(bian)),距(ju)離地面高度的2.5m處,為(wei)(wei)樣氣(qi)管(guan)路(lu)及電纜管(guan)路(lu)開(kai)(kai)孔(kong),開(kai)(kai)孔(kong)尺寸為(wei)(wei)Φ90mm圓孔(kong),開(kai)(kai)孔(kong)數量1個;在機柜背(bei)面墻壁接(jie)近地面底部(bu)上開(kai)(kai)孔(kong),開(kai)(kai)孔(kong)尺寸為(wei)(wei)ф40mm,開(kai)(kai)孔(kong)數量1個,作為(wei)(wei)廢氣(qi)廢水排放口;站房內應安裝排氣扇,應預留安裝排氣扇孔位,具體開孔尺寸依據所購買排氣扇尺寸;安裝空調開孔尺寸為Φ90mm圓(yuan)孔;
l 防雷:系統的儀表設備工作電源應有良好的接地措施,接地線纜應大于4mm2的獨芯護套電纜;平臺、監測站房、交流電源設備、機柜、儀表和設備外殼、管纜屏蔽層和套管的防雷接地,可利用廠內區域保護接地網,采取多點接地方式;電源線和信號線加防雷器。

尺(chi)寸(cun)
l 分析小屋的使用面積不小于9m2;
l 室(shi)內凈(jing)高 2800mm~3000mm;
l 放(fang)置體積(ji)為 800mm*700mm*2000mm的機柜。
室內(nei)環境
CEMS 分析柜(ju)對(dui)環(huan)境(jing)溫(wen)度(du)、濕度(du)有一(yi)定要(yao)(yao)求,要(yao)(yao)求環(huan)境(jing)溫(wen)度(du)在 20~35℃之間(典(dian)型溫(wen)度(du)為(wei)25℃),相對(dui)濕度(du)在80%以下,故分析小屋內需安裝通風設施和空調(diao)(diao)(1P)空調(diao)(diao)應具(ju)有來電自動(dong)復位(wei)功能,現場無強烈震動(dong)。
電源
220VAC、50Hz,10KW,接(jie)地可靠,一般接(jie)地電阻要求(qiu)≤4歐姆。由用戶接(jie)到分(fen)析小屋的(de)電源分(fen)線(xian)箱內,電源分(fen)線(xian)箱內配(pei)置3個空氣開(kai)關,規(gui)格分(fen)別為 60A,30A,30A各一個;還有(you)一組220VAC的(de)電源插座。電源線(xian)通過纜溝進入(ru)到儀器分(fen)析柜(ju)的(de)下面,分(fen)析柜(ju)與墻壁之間的(de)距離不小于500mm。
照明
考慮到 CEMS 分析柜安(an)裝(zhuang)、維護等日常操(cao)作,需安(an)裝(zhuang)照(zhao)明,照(zhao)明開(kai)關帶三線或二線插座。
氣(qi)液(ye)接(jie)入、排(pai)放(fang)
在指定位置(zhi)預(yu)留樣氣入(ru)口、冷凝液排放(fang)口、尾氣排放(fang)口。
反吹(chui)氣源
排氣(qi)流量(liang)不(bu)低(di)于 240L/min、壓(ya)縮空氣(qi)容量(liang)不(bu)低(di)于50L、排氣(qi)壓(ya)力不(bu)低(di)于0.8MPa的(de)反吹(chui)氣(qi)源;并(bing)確保(bao)反吹(chui)氣(qi)源長期(qi)不(bu)間斷的(de)提供,以保(bao)證設備的(de)正常運(yun)行,氣(qi)源管末端(duan)應(ying)安裝 G1/2”內螺紋球閥或(huo)ф8mm管或(huo)快插接頭。
CEMS煙氣在線監測系統分析小屋尺寸圖



需求溝通傾聽客戶需求,了解用戶使用環境和現場工況
方案設計根據現場實際工況,針對性出具解決方案
合同簽訂技術和商務規范確認,簽訂合作協議
產品制作選擇最優質的元器件,嚴格按照技術協議
調試安裝現場規范安裝,靜態動態調試,分析儀運行
售后服務后續維護,持續跟進,終身維修