優質的服務流程
· quality of service processes ·

需求溝通傾聽客戶需求,了解用戶使用環境和現場工況
方案設計根據現場實際工況,針對性出具解決方案
合同簽訂技術和商務規范確認,簽訂合作協議
產品制作選擇最優質的元器件,嚴格按照技術協議
調試安裝現場規范安裝,靜態動態調試,分析儀運行
售后服務后續維護,持續跟進,終身維修

全國熱線
銷售熱線
公司地址山東濟南市槐蔭區(qu)太平(ping)河(he)南路1567號均和云谷濟南匯智港6號樓
摘要:苯(ben)是致癌物(wu)(wu),為(wei)貫(guan)徹(che)日益嚴格的(de)(de)(de)排(pai)(pai)放指標,華北石化(hua)苯(ben)罐區設(she)置冷凝+吸(xi)(xi)(xi)附(fu)(fu)集成(cheng)VOCs治(zhi)理(li)(li)裝(zhuang)置處理(li)(li)苯(ben)罐排(pai)(pai)放氣,先將(jiang)排(pai)(pai)放氣冷凝至-30℃,再經活性炭(tan)吸(xi)(xi)(xi)附(fu)(fu),可達到(dao)非甲烷總烴≯100mg/m~3,苯(ben)≯4mg/m~3的(de)(de)(de)排(pai)(pai)放指標。冷凝+吸(xi)(xi)(xi)附(fu)(fu)裝(zhuang)置運行(xing)時應(ying)特別注意冷箱(xiang)的(de)(de)(de)化(hua)霜操作(zuo),保(bao)證冷箱(xiang)和吸(xi)(xi)(xi)附(fu)(fu)罐均處于正常(chang)狀態。對于可能含有固體顆(ke)粒物(wu)(wu)或液滴的(de)(de)(de)吸(xi)(xi)(xi)附(fu)(fu)罐解吸(xi)(xi)(xi)氣,采用無油干式(shi)渦旋真空泵更可靠。抽真空不能將(jiang)活性炭(tan)吸(xi)(xi)(xi)附(fu)(fu)的(de)(de)(de)苯(ben)系(xi)物(wu)(wu)完全(quan)解吸(xi)(xi)(xi),需借助熱(re)氮氣吹掃,熱(re)氮氣吹掃的(de)(de)(de)溫度應(ying)控制在80℃以(yi)上(shang)。
中國石油華(hua)北石化公(gong)司老罐區苯(ben)罐為3臺1000m3的內(nei)浮頂罐,雖然設置(zhi)了氮封系統,但(dan)仍存在靜止儲存損耗(hao)、發油損耗(hao)和收(shou)油損耗(hao),產(chan)生(sheng)VOCs無組織排放。苯(ben)是致癌物,其(qi)無組織排放對生(sheng)態環境和人(ren)員(yuan)健(jian)康有重(zhong)要影響。
2016年2月,河北(bei)省環保廳發布(bu)《工(gong)業(ye)(ye)企業(ye)(ye)揮(hui)發性(xing)有(you)機物排放(fang)控(kong)制(zhi)標準》( DB13 /2322 - 2016) ,規定: 產生(sheng)(sheng)揮(hui)發性(xing)有(you)機物的(de)主要生(sheng)(sheng)產工(gong)藝和(he)裝(zhuang)置(zhi)必須設立整體或局(ju)部(bu)氣體收(shou)集(ji)系(xi)統和(he)凈化處(chu)理(li)裝(zhuang)置(zhi)。2017年4月1日,雄安(an)新區(qu)設立,對周邊環境提出了(le)(le)更高的(de)要求。為響應國家建設雄安(an)新區(qu)政策,貫徹地方(fang)減排標準,打造優美自然生(sheng)(sheng)態環境,華(hua)北(bei)石化油品(pin)運(yun)行(xing)部(bu)于2017年7月為老罐區(qu)苯罐設置(zhi)了(le)(le)VOCs治(zhi)(zhi)理(li)裝(zhuang)置(zhi),經過近(jin)一(yi)年的(de)運(yun)行(xing),顯著減少了(le)(le)VOCs排放(fang),但在運(yun)行(xing)中也出現(xian)了(le)(le)部(bu)分問題。現(xian)將該VOCs治(zhi)(zhi)理(li)裝(zhuang)置(zhi)的(de)運(yun)行(xing)情況(kuang)、存在的(de)問題和(he)改造情況(kuang)進行(xing)分析,以期(qi)對類(lei)似裝(zhuang)置(zhi)的(de)運(yun)行(xing)提供(gong)指導(dao)。
1 裝(zhuang)置概況(kuang)
1.1 基本參數(shu)
老罐區苯罐采(cai)用(yong)江蘇金門能源裝備有限公司設計、制造(zao)的JM - VRECS - CD/AD - 100 型VOCs 治理(li)裝置,冷凝+ 吸附集成工藝,裝置主(zhu)要參數如表1。

1.2 工藝流程
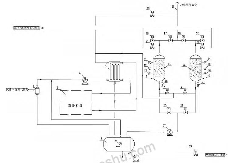
采用冷(leng)凝系(xi)統對VOCs 進行預處(chu)(chu)理,將大部分的可凝組分冷(leng)凝回收,降低進入吸附(fu)(fu)(fu)系(xi)統的VOCs 濃(nong)度。未凝氣去吸附(fu)(fu)(fu)罐進行吸附(fu)(fu)(fu)處(chu)(chu)理,達標(biao)后排放(fang),吸附(fu)(fu)(fu)解吸氣循環(huan)至冷(leng)凝裝置處(chu)(chu)理、回收。該系(xi)統的本質是(shi)冷(leng)凝實現VOCs 可凝組分回收,吸附(fu)(fu)(fu)實現VOCs 達標(biao)排放(fang)。VOCs 治理裝置流程圖(tu)如(ru)圖(tu)1。

1 - 凝(ning)液(ye)收(shou)集罐(guan)(guan)(guan)(guan); 2 - 氣液(ye)分離罐(guan)(guan)(guan)(guan); 3 - 液(ye)位變送器; 4 - 風(feng)機(ji); 5 - 冷箱; 6 - 制(zhi)冷機(ji)組; 7 - 吸(xi)(xi)附(fu)罐(guan)(guan)(guan)(guan)進口閥(fa)(fa)A; 8 - 吸(xi)(xi)附(fu)罐(guan)(guan)(guan)(guan)進口閥(fa)(fa)B; 9 - 吸(xi)(xi)附(fu)罐(guan)(guan)(guan)(guan)A; 10 - 吸(xi)(xi)附(fu)罐(guan)(guan)(guan)(guan)B; 11 - 溫(wen)度(du)變送器A; 12 - 溫(wen)度(du)變送器B; 13 - 溫(wen)度(du)變送器C; 14 - 溫(wen)度(du)變送器D; 15 - 溫(wen)度(du)變送器E; 16 - 溫(wen)度(du)變送器F; 17 - 吸(xi)(xi)附(fu)罐(guan)(guan)(guan)(guan)出口閥(fa)(fa)A; 18- 吸(xi)(xi)附(fu)罐(guan)(guan)(guan)(guan)出口閥(fa)(fa)B; 19 - 吸(xi)(xi)附(fu)罐(guan)(guan)(guan)(guan)破(po)真(zhen)(zhen)空(kong)閥(fa)(fa)A; 20 - 吸(xi)(xi)附(fu)罐(guan)(guan)(guan)(guan)破(po)真(zhen)(zhen)空(kong)閥(fa)(fa)B; 21 - 吹(chui)掃(sao)氣進口閥(fa)(fa)A; 22 - 吹(chui)掃(sao)氣進口閥(fa)(fa)B; 23 - 吸(xi)(xi)附(fu)劑床(chuang)層A; 24 - 吸(xi)(xi)附(fu)劑床(chuang)層B; 25 - 真(zhen)(zhen)空(kong)脫附(fu)閥(fa)(fa)A; 26 - 真(zhen)(zhen)空(kong)脫附(fu)閥(fa)(fa)B; 27 - 真(zhen)(zhen)空(kong)泵; 28 - 回液(ye)泵; 29 - 外輸液(ye)流量開關閥(fa)(fa);30 - 緊急放(fang)空(kong)閥(fa)(fa); 31 - 排放(fang)筒
圖(tu)1 VOCs 治理裝置流程(cheng)圖(tu)
來自儲罐(guan)的(de)VOCs 氣體由管(guan)道(dao)(dao)進入(ru)VOCs 治理(li)系統,VOCs入(ru)口管(guan)道(dao)(dao)設(she)置(zhi)有壓(ya)力(li)傳感(gan)器和(he)流(liu)量(liang)計(ji),當(dang)壓(ya)力(li)高于(yu)設(she)定值時(shi),變頻防爆風機(ji)啟動,VOCs 氣體進入(ru)冷(leng)(leng)(leng)(leng)凝(ning)單元的(de)冷(leng)(leng)(leng)(leng)箱,與(yu)來自制(zhi)冷(leng)(leng)(leng)(leng)機(ji)組(zu)的(de)冷(leng)(leng)(leng)(leng)媒進行(xing)換熱,大部(bu)分(fen)VOCs 組(zu)分(fen)冷(leng)(leng)(leng)(leng)凝(ning)、液化(hua)、析出,低溫(wen)VOCs 再去回熱交換器與(yu)冷(leng)(leng)(leng)(leng)凝(ning)單元入(ru)口VOCs 進行(xing)回熱交換,溫(wen)度(du)回升到接近常溫(wen),完成氣路的(de)冷(leng)(leng)(leng)(leng)量(liang)回收利(li)用。冷凝單元(yuan)設(she)置有(you)利(li)用制冷系統(tong)壓縮機排出的(de)(de)過熱蒸汽融(rong)霜的(de)(de)化霜系統(tong),將冷箱內的(de)(de)結霜融(rong)化、回收。
未冷(leng)(leng)凝(ning)的(de)(de)低濃度VOCs,進入(ru)到吸(xi)附(fu)(fu)單元(yuan),吸(xi)附(fu)(fu)系統由兩臺交替進行(xing)吸(xi)附(fu)(fu)- 脫(tuo)附(fu)(fu)的(de)(de)吸(xi)附(fu)(fu)罐(guan)(guan)組成],VOCs 中的(de)(de)大部分有(you)機組分被吸(xi)附(fu)(fu)罐(guan)(guan)內(nei)的(de)(de)活性炭(tan)吸(xi)附(fu)(fu),達標(biao)后的(de)(de)氣體經排(pai)放(fang)管(guan)放(fang)空(kong)。當吸(xi)附(fu)(fu)罐(guan)(guan)吸(xi)附(fu)(fu)飽和后,對吸(xi)附(fu)(fu)罐(guan)(guan)進行(xing)抽(chou)真空(kong)脫(tuo)附(fu)(fu),真空(kong)泵(beng)出口排(pai)放(fang)氣循環至(zhi)冷(leng)(leng)凝(ning)單元(yuan)冷(leng)(leng)箱(xiang)進行(xing)冷(leng)(leng)凝(ning)處理。冷(leng)(leng)箱(xiang)冷(leng)(leng)凝(ning)下來(lai)的(de)(de)液態烴進入(ru)儲罐(guan)(guan),經輸油泵(beng),泵(beng)送至(zhi)回收儲罐(guan)(guan)。
2 運行情(qing)況(kuang)和存在的問(wen)題
2.1 運行參數(shu)
VOCs 治理(li)裝置(zhi)主(zhu)要(yao)運行參數如表2。


2.2 存在的問題
2.2.1 冷箱回收的液量少
裝置運(yun)行(xing)兩個月,與(yu)冷箱連接的儲罐液(ye)位(wei)僅30%,約25L,回收的液(ye)量明顯偏(pian)少,分析原因:
( 1) 苯儲罐是(shi)內浮頂罐,且帶有(you)氮封系統,排放氣中(zhong)有(you)機物(wu)濃度(du)低,實測VOCs 治(zhi)理裝置(zhi)入(ru)口非(fei)甲(jia)烷(wan)總烴在(zai)20000 ~25000mg /m3 之間;
( 2) 實際(ji)運(yun)行(xing)的氣(qi)(qi)量(liang)較低,遠達不(bu)到100Nm3 /h 的設計(ji)處理(li)量(liang),正常運(yun)行(xing)時,VOCs 治理(li)裝置氣(qi)(qi)體流(liu)(liu)量(liang)在(zai)(zai)20 ~ 50m3 之間(jian);( 3) 化(hua)霜時間(jian)不(bu)夠長,停止化(hua)霜溫度不(bu)夠高(gao),經(jing)手動化(hua)霜,大(da)量(liang)液體自(zi)冷箱(xiang)流(liu)(liu)出,實際(ji)運(yun)行(xing)中有機物在(zai)(zai)進(jin)入(ru)冷箱(xiang)后直接凝華,在(zai)(zai)冷箱(xiang)內壁結晶。
2.2.2 真空泵頻(pin)繁自停
由(you)于(yu)(yu)采用(yong)的是干式螺桿真(zhen)(zhen)空(kong)泵(beng),其(qi)優點(dian)在于(yu)(yu)其(qi)真(zhen)(zhen)空(kong)度高,可達(da)到(dao)3Pa 的極限(xian)真(zhen)(zhen)空(kong),但同時對進(jin)氣的顆(ke)粒物和(he)含液量要(yao)求高,運行(xing)期間,數(shu)次因活性(xing)炭粉末和(he)苯(ben)蒸汽(qi)冷(leng)凝積液停機。
2.3 排放指(zhi)標不(bu)合(he)格
裝(zhuang)置(zhi)運行初(chu)期兩(liang)個月(yue),每周取樣檢測,排放指(zhi)標正常(chang),非甲烷總(zong)烴(jing)維(wei)持在80mg /m3 以下,苯維(wei)持在2mg /m3 以下。
運行兩個(ge)月后,非(fei)甲烷總烴排放超過10000mg /m3 ,活性炭飽和。分析原因,一方(fang)面,由于冷箱內結霜嚴重,提高了(le)進入(ru)吸(xi)附(fu)罐(guan)的(de)有機物濃度; 另一方面,真空解吸不(bu)能完(wan)全將活(huo)性(xing)炭解吸,導致(zhi)被吸附的有機物逐漸積累,以致(zhi)活(huo)性(xing)炭飽(bao)和,甚至失活(huo)。
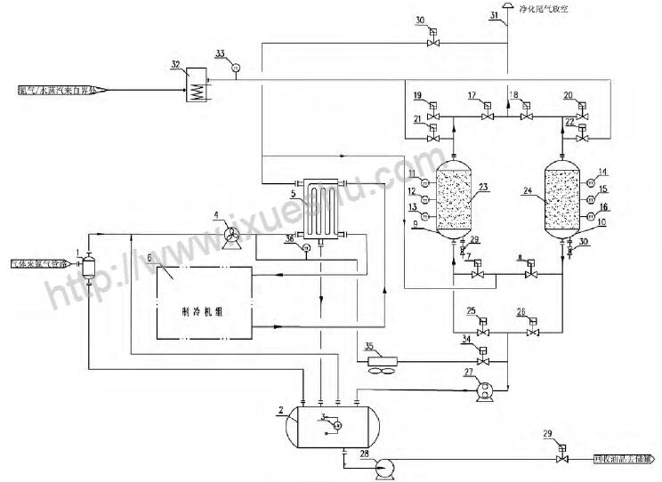
3 裝(zhuang)置改造(zao)
3.1 設備(bei)改造
考慮到干(gan)式螺桿真(zhen)(zhen)空(kong)(kong)泵的使用(yong)要求和本裝(zhuang)置(zhi)的實際情況,將干(gan)式螺桿真(zhen)(zhen)空(kong)(kong)泵更(geng)換為更(geng)可靠(kao)的無油干(gan)式渦旋真(zhen)(zhen)空(kong)(kong)泵,其對進氣顆粒物和液滴(di)的接受性更(geng)強,適于長周期穩定(ding)運行(xing)。真(zhen)(zhen)空(kong)(kong)泵入(ru)口增設5μm 過濾器,保證最少的雜(za)質進入(ru)真(zhen)(zhen)空(kong)(kong)泵腔體。
真(zhen)空泵(beng)出口管道增設保溫和電伴(ban)熱,防止高濃度解吸(xi)氣(qi)在環境溫度較低時冷凝,保證真(zhen)空泵(beng)正(zheng)常運轉。
3.2 工藝改造
考慮到真空解吸不能使(shi)活性炭(tan)解吸完全,增設活性炭(tan)罐(guan)熱氮(dan)氣吹掃(sao)系統(tong)。
具體地,在(zai)現有吸附罐氮氣吹(chui)掃管(guan)(guan)線增設氮氣電加熱器,用于對氮氣進行加熱; 在(zai)真(zhen)空(kong)泵入口(kou)管(guan)(guan)道(dao)引出一條(tiao)支路(lu)至(zhi)冷箱入口(kou),該支路(lu)上設置開(kai)關閥和風(feng)冷冷卻器,用于對吹(chui)掃后的熱氮氣尾氣進行降(jiang)溫和再(zai)處理。改造后的VOCs 治理裝置流程圖(tu)如圖(tu)2。

1 - 凝液(ye)(ye)收集(ji)罐(guan)(guan)(guan); 2 - 氣(qi)液(ye)(ye)分離罐(guan)(guan)(guan); 3 - 液(ye)(ye)位變(bian)(bian)(bian)(bian)送(song)(song)(song)(song)器(qi)(qi); 4 - 風機(ji); 5 - 冷箱; 6 - 制冷機(ji)組; 7 - 吸(xi)(xi)附(fu)(fu)罐(guan)(guan)(guan)進口(kou)(kou)(kou)閥(fa)(fa)(fa)(fa)A; 8 - 吸(xi)(xi)附(fu)(fu)罐(guan)(guan)(guan)進口(kou)(kou)(kou)閥(fa)(fa)(fa)(fa)B; 9 - 吸(xi)(xi)附(fu)(fu)罐(guan)(guan)(guan)A; 10 - 吸(xi)(xi)附(fu)(fu)罐(guan)(guan)(guan)B; 11 - 溫(wen)(wen)(wen)度(du)(du)(du)變(bian)(bian)(bian)(bian)送(song)(song)(song)(song)器(qi)(qi)A; 12 - 溫(wen)(wen)(wen)度(du)(du)(du)變(bian)(bian)(bian)(bian)送(song)(song)(song)(song)器(qi)(qi)B; 13 - 溫(wen)(wen)(wen)度(du)(du)(du)變(bian)(bian)(bian)(bian)送(song)(song)(song)(song)器(qi)(qi)C; 14 - 溫(wen)(wen)(wen)度(du)(du)(du)變(bian)(bian)(bian)(bian)送(song)(song)(song)(song)器(qi)(qi)D; 15 - 溫(wen)(wen)(wen)度(du)(du)(du)變(bian)(bian)(bian)(bian)送(song)(song)(song)(song)器(qi)(qi)E; 16 - 溫(wen)(wen)(wen)度(du)(du)(du)變(bian)(bian)(bian)(bian)送(song)(song)(song)(song)器(qi)(qi)F; 17 - 吸(xi)(xi)附(fu)(fu)罐(guan)(guan)(guan)出口(kou)(kou)(kou)閥(fa)(fa)(fa)(fa)A; 18- 吸(xi)(xi)附(fu)(fu)罐(guan)(guan)(guan)出口(kou)(kou)(kou)閥(fa)(fa)(fa)(fa)B; 19 - 吸(xi)(xi)附(fu)(fu)罐(guan)(guan)(guan)破真(zhen)(zhen)空(kong)閥(fa)(fa)(fa)(fa)A; 20 - 吸(xi)(xi)附(fu)(fu)罐(guan)(guan)(guan)破真(zhen)(zhen)空(kong)閥(fa)(fa)(fa)(fa)B; 21 - 吹掃氣(qi)進口(kou)(kou)(kou)閥(fa)(fa)(fa)(fa)A; 22 - 吹掃氣(qi)進口(kou)(kou)(kou)閥(fa)(fa)(fa)(fa)B; 23 - 吸(xi)(xi)附(fu)(fu)劑(ji)床層A; 24 - 吸(xi)(xi)附(fu)(fu)劑(ji)床層B; 25 - 真(zhen)(zhen)空(kong)脫附(fu)(fu)閥(fa)(fa)(fa)(fa)A; 26 - 真(zhen)(zhen)空(kong)脫附(fu)(fu)閥(fa)(fa)(fa)(fa)B; 27 - 真(zhen)(zhen)空(kong)泵(beng); 28 - 回液(ye)(ye)泵(beng); 29 - 外輸液(ye)(ye)流量開關閥(fa)(fa)(fa)(fa); 30 - 緊急放空(kong)閥(fa)(fa)(fa)(fa); 31 - 排放筒(tong); 32 - 加熱器(qi)(qi); 33 - 熱氣(qi)體溫(wen)(wen)(wen)度(du)(du)(du)變(bian)(bian)(bian)(bian)送(song)(song)(song)(song)器(qi)(qi); 34 - 熱氣(qi)體脫附(fu)(fu)開關閥(fa)(fa)(fa)(fa); 35 - 冷卻器(qi)(qi)、36 - 冷卻溫(wen)(wen)(wen)度(du)(du)(du)變(bian)(bian)(bian)(bian)送(song)(song)(song)(song)器(qi)(qi)
圖2 改造后的VOCs 治理裝置(zhi)流程(cheng)圖
活性炭吹(chui)掃間(jian)歇運行,現以A 罐(guan)的吹(chui)掃為例(li),對流程進行說明。
依次打(da)開(kai)吸(xi)(xi)附罐A 真(zhen)空閥、吸(xi)(xi)附罐B 進(jin)(jin)氣(qi)閥、吸(xi)(xi)附罐B 出口閥、制冷(leng)系統、吸(xi)(xi)附罐A 吹(chui)(chui)掃閥、排(pai)氣(qi)電(dian)磁閥、風冷(leng)冷(leng)卻器,對(dui)吸(xi)(xi)附罐A 進(jin)(jin)行(xing)(xing)氮(dan)氣(qi)預吹(chui)(chui)掃,預吹(chui)(chui)掃2min,排(pai)出吸(xi)(xi)附罐內(nei)的空氣(qi)。然后(hou),電(dian)加熱器打(da)開(kai),開(kai)始對(dui)氮(dan)氣(qi)進(jin)(jin)行(xing)(xing)加熱,熱氮(dan)氣(qi)對(dui)活(huo)性炭床層(ceng)進(jin)(jin)行(xing)(xing)吹(chui)(chui)掃,氮(dan)氣(qi)吹(chui)(chui)掃時(shi)間控制在120min 左右,熱吹(chui)(chui)掃結束后(hou),關閉電(dian)加熱器,用冷(leng)氮(dan)氣(qi)吹(chui)(chui)掃,將(jiang)床層(ceng)溫(wen)度降低(di)至(zhi)30℃以下(xia)。
吹掃(sao)過(guo)程(cheng)中,熱氮(dan)氣的路徑依(yi)次(ci)為: 氮(dan)氣管(guan)道(dao)- 電加熱器- 吹掃(sao)閥- 真空(kong)閥- 排(pai)(pai)氣開關閥- 風冷冷卻器- 冷箱- 吸附(fu)罐- 排(pai)(pai)空(kong)。
冷(leng)(leng)氮氣吹掃結束,將床層溫度降低至30℃以下(xia)(xia),排(pai)(pai)氣電磁閥(fa)、風冷(leng)(leng)冷(leng)(leng)卻器關(guan)閉(bi)。經吹掃后,正常(chang)運行時,非甲烷(wan)總(zong)烴排(pai)(pai)放維持在100mg /m3以下(xia)(xia),苯排(pai)(pai)放維持在4mg /m3 以下(xia)(xia),達到了排(pai)(pai)放要(yao)求。
采用該種(zhong)方(fang)式(shi)吹掃(sao),可(ke)以最大程度的對活性炭(tan)床層(ceng)進(jin)行(xing)深(shen)度解(jie)吸(xi)附,且解(jie)吸(xi)氣再次經過冷凝和吸(xi)附處理,解(jie)吸(xi)氣的排(pai)(pai)放也(ye)達到排(pai)(pai)放標(biao)準要求。
3.3 控制系統改造(zao)
( 1) 吹掃控制系統
為降低吹掃的勞動強度,在(zai)VOCs 治(zhi)理裝置自帶的PLC 系統中增(zeng)設吹掃程序,實現吹掃過程的一鍵啟動。
吹(chui)掃程序中(zhong),預吹(chui)掃時(shi)間、熱吹(chui)掃時(shi)間、吹(chui)掃后床層溫(wen)度均可以由現場操作員手動設(she)定(ding),增強了吹(chui)掃操作的便(bian)利性和(he)實用性。
( 2) 手動化(hua)霜程序
考慮到冷箱回收液相少的(de)現(xian)狀(zhuang),如在(zai)VOCs 治理裝置正常運行時(shi)增加化(hua)霜時(shi)間,那么將導致化(hua)霜期間進(jin)入(ru)活性炭罐(guan)(guan)的(de)有機物濃度升(sheng)高,縮短吸附罐(guan)(guan)的(de)連續運行周(zhou)期。而且,自動(dong)運行時(shi),不易觀察(cha)化(hua)霜的(de)實際效果和狀(zhuang)態。
基于實際運行要(yao)求,考慮(lv)間(jian)歇手(shou)(shou)動(dong)(dong)化(hua)霜(shuang),因此增設(she)了手(shou)(shou)動(dong)(dong)化(hua)霜(shuang)程序。手(shou)(shou)動(dong)(dong)化(hua)霜(shuang)程序中,化(hua)霜(shuang)時間(jian)和化(hua)霜(shuang)停止(zhi)溫度可自主設(she)定,根(gen)據現場(chang)的實際化(hua)霜(shuang)情況,進行化(hua)霜(shuang)的操作(zuo),增強了化(hua)霜(shuang)操作(zuo)的有效性。
3.4 運行參數(shu)調整
經(jing)過實踐的(de)摸索,初始(shi)設定的(de)運(yun)行(xing)參數對于VOCs 治理裝(zhuang)置的(de)達標排放是不恰(qia)當的(de),具體地(di):
( 1) 冷(leng)箱溫(wen)(wen)度(du)上限和下限溫(wen)(wen)度(du)過高,不(bu)能充(chong)分發揮(hui)冷(leng)凝單元的效(xiao)果(guo),需進一步降低冷(leng)箱溫(wen)(wen)度(du);
( 2) 考(kao)慮到手動化(hua)霜(shuang)(shuang)程序的(de)增設,化(hua)霜(shuang)(shuang)主要的(de)依(yi)靠操(cao)作員現場操(cao)作,因此,可以合理的(de)減少自動化(hua)霜(shuang)(shuang)時間(jian),使冷箱長(chang)周(zhou)期處于低溫狀態;
( 3) 考慮到真空解吸(xi)(xi)的局限,可適當延長吸(xi)(xi)附時間。
調(diao)整后VOCs 治理裝置主要運行參(can)數如表3。

4 結論
采用冷凝+ 吸附集成工藝進行苯(ben)(ben)儲罐(guan)VOCs 治理是(shi)有效的,能夠(gou)實現非(fei)甲烷總(zong)烴≯100mg /m3 ,苯(ben)(ben)≯4mg /m3 的排放(fang)指標(biao)。
對于冷凝裝(zhuang)置,運行(xing)中(zhong)應特別注(zhu)意(yi)冷箱化霜(shuang)的(de)操作,以及時回收廢氣(qi)中(zhong)的(de)可凝組分,保證進入吸附系統的(de)有機物(wu)濃度(du)不(bu)超標(biao)。
真空解(jie)吸(xi)(xi)對(dui)于苯(ben)系物(wu)的吸(xi)(xi)附(fu)不(bu)能完全解(jie)吸(xi)(xi)附(fu),需(xu)借助熱氮氣吹掃才能充分解(jie)吸(xi)(xi)附(fu)。


需求溝通傾聽客戶需求,了解用戶使用環境和現場工況
方案設計根據現場實際工況,針對性出具解決方案
合同簽訂技術和商務規范確認,簽訂合作協議
產品制作選擇最優質的元器件,嚴格按照技術協議
調試安裝現場規范安裝,靜態動態調試,分析儀運行
售后服務后續維護,持續跟進,終身維修