優質的服務流程
· quality of service processes ·

需求溝通傾聽客戶需求,了解用戶使用環境和現場工況
方案設計根據現場實際工況,針對性出具解決方案
合同簽訂技術和商務規范確認,簽訂合作協議
產品制作選擇最優質的元器件,嚴格按照技術協議
調試安裝現場規范安裝,靜態動態調試,分析儀運行
售后服務后續維護,持續跟進,終身維修

全國熱線
銷售熱線
公司地址山東濟(ji)南(nan)市槐(huai)蔭(yin)區太平河南(nan)路1567號均和云谷濟(ji)南(nan)匯(hui)智港6號樓(lou)
危廢行業(ye)VOCs治理
項目(mu)概述
該項目生(sheng)產過程(cheng)中(zhong),原(yuan)材料(liao)中(zhong)的VOCs揮發造(zao)成(cheng)(cheng)環境污染,對(dui)工(gong)人身體造(zao)成(cheng)(cheng)直接傷害(hai),現在需要進行(xing)處理,減(jian)少污染,實現達標排放。
待處理VOCs廢氣風量為62,000m3/h,濃度(du)為100mg/m3,溫度(du)常溫,濕度(du)70%;
方(fang)案綜述
本方案將產生(sheng)的(de)廢氣(qi),經過預(yu)處(chu)理(li)進(jin)入轉(zhuan)(zhuan)輪進(jin)行(xing)濃縮(suo)后催化(hua)燃燒從而達到達標(biao)排放的(de)目的(de)。設計系統包(bao)含一套沸石(shi)轉(zhuan)(zhuan)輪和(he)一套CO爐。沸石(shi)轉(zhuan)(zhuan)輪濃縮(suo)裝置處(chu)理(li)能力(li)為62, 000 m3/h,濃縮(suo)能力(li)為30倍(bei),去(qu)除效(xiao)率(lv)≥90%;CO反(fan)應器處(chu)理(li)氣(qi)量為2000 Nm3/h,去(qu)除效(xiao)率(lv)≥98%。

履帶行業VOCs治理
項目概述
該項目在浸漆過程中有涉及(ji)甲(jia)苯(ben)、二甲(jia)苯(ben)、乙苯(ben)、三甲(jia)苯(ben)、丙二醇甲(jia)醚醋酸(suan)酯(zhi)成分的揮發(fa)性有機氣體(ti),治理(li)工藝為前(qian)處理(li)+沸石濃縮轉輪+蓄熱燃燒(shao)工藝。
項目基礎數(shu)據:
1.廢(fei)氣風量:10,000m3/h;
2.廢氣組分:甲苯、二甲苯、乙苯、三甲苯、丙二醇甲醚醋(cu)酸(suan)酯(zhi);
3.廢氣(qi)濃度范圍:300~1200mg/m3(以(yi)非甲烷總烴計);
4.廢氣溫度(du):常溫,≤25℃;
5.廢(fei)氣(qi)濕度:≤70%相對濕度;
6.布置(zhi)區域:10.5m×9m(不含控制室),限高要求:無。
工藝流程(cheng)
本項(xiang)目采用轉輪吸附濃縮+RTO蓄熱燃(ran)燒的(de)工藝(yi)路線進(jin)行處(chu)理。浸(jin)漆車間的(de)廢(fei)(fei)氣(qi)經(jing)工藝(yi)風(feng)(feng)機抽(chou)出(chu),同時保(bao)證浸(jin)漆小(xiao)屋內保(bao)證存在(zai)保(bao)持(chi)微負壓的(de)狀態,不(bu)斷有新(xin)風(feng)(feng)進(jin)入換氣(qi)。經(jing)過(guo)(guo)工藝(yi)風(feng)(feng)機抽(chou)出(chu)的(de)廢(fei)(fei)氣(qi)送往干式過(guo)(guo)濾(lv),干式過(guo)(guo)濾(lv)器可去除不(bu)利的(de)顆粒物,預處(chu)理之后的(de)廢(fei)(fei)氣(qi)隨后輸送至(zhi)轉輪吸附濃縮裝置,廢(fei)(fei)氣(qi)中(zhong)的(de)VOCs成分被沸(fei)石吸收后,達標排放至(zhi)大氣(qi)中(zhong)。
脫附(fu)風機(ji)取(qu)轉輪(lun)(lun)排(pai)出凈化氣(qi)體(ti)(ti)一部分與RTO的熱(re)氣(qi)做熱(re)交換,溫度達到(dao)150~180℃,對沸石(shi)轉輪(lun)(lun)進行脫附(fu)再生,脫附(fu)下來(lai)的氣(qi)體(ti)(ti)經RTO風機(ji)抽吸牽引(yin)進RTO燃(ran)燒(shao)分解,脫附(fu)濃縮后的廢氣(qi)在RTO反應裝(zhuang)置中被加熱(re)至750℃以上,燃(ran)燒(shao)成為二氧化碳和水,排(pai)放至大氣(qi)。

電子行業VOCs治(zhi)理
項目概述
根據(ju)國家相關法(fa)律法(fa)規要(yao)求(qiu),該(gai)企業在建(jian)集成電路生產廠房需(xu)加裝配套VOCs治理設(she)備,以滿足國家排(pai)放標準。
待處(chu)理風量為50000m3/h,主(zhu)要(yao)成分為PGME、PGMEA、IPA、丙酮(tong)等非甲烷總(zong)烴,溫度為25℃,排放(fang)濃度100-150mg/m3。
工業(ye)流程
本項目設計采用兩套(tao)沸石(shi)轉(zhuan)輪濃縮+直燃(ran)式熱(re)氧化(TO)(一用一備,相互獨(du)立(li))的(de)治理方案。廢(fei)(fei)氣(qi)(qi)(qi)經主工藝風機輸送(song)至(zhi)沸石(shi)轉(zhuan)輪,廢(fei)(fei)氣(qi)(qi)(qi)中的(de)VOCs被沸石(shi)吸附后(hou)達標(biao)排(pai)放至(zhi)大(da)氣(qi)(qi)(qi)中,由脫附風機輸送(song)的(de)熱(re)氣(qi)(qi)(qi)將VOCs從沸石(shi)中脫附出來,再由TO風機輸送(song)至(zhi)TO反應器(qi)中,被氧化成(cheng)CO2和H2O,達標(biao)排(pai)放至(zhi)大(da)氣(qi)(qi)(qi)中。

玩具噴涂行業VOCs治理
項目概述
某玩具廠(chang)為了響應當地政府關于環(huan)(huan)保(bao)減排的(de)要求,同時也為了更好的(de)履行社會責任(ren),欲(yu)新增廢(fei)(fei)氣處(chu)理(li)設備(bei),對所產生的(de)廢(fei)(fei)氣進行集中處(chu)理(li)。在達到國家(jia)及地方相關環(huan)(huan)保(bao)法規的(de)排放標準的(de)同時,也最大限度的(de)減輕廢(fei)(fei)氣對環(huan)(huan)境的(de)污染。
方(fang)案綜述
本次(ci)方案工(gong)藝選用魔方系(xi)列|沸石轉輪+CO。
設計沸石(shi)轉輪處理(li)(li)風量38000m3/h;轉輪濃縮(suo)倍數10倍,沸石(shi)吸附效(xiao)率90%;CO爐處理(li)(li)量為(wei):3500Nm3/h,燃燒效(xiao)率98%。
該項目每天(tian)工(gong)作11h;年工(gong)作312天(tian)。

工程(cheng)機(ji)械行業VOCs治理
項目概述
油漆線在噴涂(tu)、流平和烘烤過程(cheng)中產生的(de)溶劑揮發(fa),產生的(de)VOCs揮發(fa)造成環境污染,對工人身體造成直接傷害,為了響應上海市政府關于環保減(jian)排的(de)要(yao)求,同時為了更(geng)好的(de)履行社(she)會責(ze)任(ren),該企(qi)業決定組(zu)織實施VOCs尾(wei)氣治理(li)項目,對VOCs尾(wei)氣進行處理(li),減(jian)少污染,實現達標(biao)排放。
方(fang)案概(gai)述
本次方案工藝(yi)選用(yong)轉(zhuan)輪(lun)濃縮+RTO。
處理(li)風量約(yue)200,000m3/h,按照溫度(du)約(yue)35℃,濕度(du)約(yue)90%進行核算;年工作(zuo)日(ri)250天;每日(ri)工作(zuo)8小(xiao)時。
濃(nong)(nong)度約103.7mg/m3;轉輪濃(nong)(nong)縮倍數(shu)40倍,初始(shi)VOCs氣體(ti)濃(nong)(nong)度<100mg/m3時,處理后的VOCs氣體(ti)濃(nong)(nong)度<5mg/m3;綜合處理效(xiao)率不(bu)低于95%。

農機行(xing)業VOCs治理
項(xiang)目概述
本項目涉及車身廠(chang)大件面(mian)漆(qi)線(xian)的(de)面(mian)漆(qi)噴涂、流平廢(fei)氣(qi)(qi)及中涂的(de)噴漆(qi)、流平廢(fei)氣(qi)(qi)及面(mian)漆(qi)烘(hong)(hong)干(gan)廢(fei)氣(qi)(qi)、電泳烘(hong)(hong)干(gan)廢(fei)氣(qi)(qi)進行收(shou)集處理。包(bao)含(han)(han)車身廠(chang)大件面(mian)漆(qi)線(xian)(含(han)(han)中涂噴漆(qi)部(bu)分)的(de)噴漆(qi)流平烘(hong)(hong)干(gan)廢(fei)氣(qi)(qi)及電泳烘(hong)(hong)干(gan)廢(fei)氣(qi)(qi)總計13個排氣(qi)(qi)點(dian),以實現VOC排放的(de)合規化。
方(fang)案綜述
經過對項(xiang)目(mu)實地勘察,充分(fen)了解業主需求及項(xiang)目(mu)的經濟(ji)性與(yu)實用性,本項(xiang)目(mu)采(cai)用沸石轉輪濃縮(suo)+RTO焚(fen)燒作(zuo)為廢氣治理工藝。其工藝簡(jian)述如下(xia):
當噴漆(qi)車間與烘(hong)(hong)干車間同時工作時,通(tong)過(guo)閥門切換將各(ge)個車間生產過(guo)程中(zhong)產生的(de)(de)廢(fei)(fei)氣經收(shou)集管路進(jin)行收(shou)集,由于烘(hong)(hong)干廢(fei)(fei)氣風溫(wen)較高,噴漆(qi)廢(fei)(fei)氣濕度(du)較高,故將噴漆(qi)廢(fei)(fei)氣及烘(hong)(hong)干廢(fei)(fei)氣進(jin)行混合(he)利(li)用烘(hong)(hong)房廢(fei)(fei)氣的(de)(de)熱量(liang)來降低濕度(du),除濕后(hou)廢(fei)(fei)氣溫(wen)度(du)約(yue)38℃,由主(zhu)工藝風機吸(xi)入前處理去除絕大部(bu)分顆(ke)粒物,再利(li)用沸石轉(zhuan)輪吸(xi)附濃縮以去除VOCs成(cheng)(cheng)分,凈化(hua)后(hou)的(de)(de)氣體通(tong)過(guo)煙囪(cong)進(jin)行達標排放,濃縮后(hou)的(de)(de)高濃度(du)VOCs成(cheng)(cheng)分被送入RTO進(jin)行高溫(wen)氧化(hua),一定停(ting)留時間后(hou)被氧化(hua)成(cheng)(cheng)為CO2和(he)H2O,通(tong)過(guo)煙囪(cong)排放至大氣。取部(bu)分RTO爐(lu)內高溫(wen)氣體對脫附氣進(jin)行加熱提(ti)供轉(zhuan)輪的(de)(de)脫附熱。

家具行業VOCs治理
項目(mu)概(gai)述
某家具(ju)公司(si)在進行噴涂時(shi),產生一些有害(hai)氣體(ti),作(zuo)為中(zhong)國(guo)十省市“環保”家具(ju)的知名品牌,該(gai)家具(ju)公司(si)響應政(zheng)府(fu)號召(zhao),為保證工人身(shen)體(ti)健康,避免給周圍居民的生活(huo)帶來困擾(rao),決定(ding)對該(gai)廢氣進行治(zhi)理。
待處(chu)理風量(liang)60000m3/h,廢氣(qi)濃度100-150mg/m3,涉及苯、甲苯、二甲苯等。
方案綜述(shu)
含有VOCs的(de)廢(fei)氣(qi)(qi)通過(guo)(guo)風機(ji)進入沸石轉(zhuan)輪(lun)(lun),沸石轉(zhuan)輪(lun)(lun)對VOCs進行吸附(fu)(fu),凈化(hua)(hua)后的(de)氣(qi)(qi)體(ti)直接排至大氣(qi)(qi)中(zhong)(zhong)。新(xin)鮮空(kong)氣(qi)(qi)經(jing)(jing)過(guo)(guo)CO燃(ran)燒爐(lu)的(de)換熱(re)器及電(dian)熱(re)器加(jia)熱(re)后,進入轉(zhuan)輪(lun)(lun)托脫(tuo)附(fu)(fu)區,根據轉(zhuan)輪(lun)(lun)脫(tuo)附(fu)(fu)入口(kou)溫(wen)度控制電(dian)加(jia)熱(re)器的(de)功率,保證(zheng)脫(tuo)附(fu)(fu)溫(wen)度≥150℃。在150℃的(de)脫(tuo)附(fu)(fu)氣(qi)(qi)體(ti)作用(yong)下,沸石中(zhong)(zhong)的(de)VOCs被(bei)脫(tuo)附(fu)(fu)出(chu)來,經(jing)(jing)過(guo)(guo)阻火(huo)器、風機(ji),經(jing)(jing)換熱(re)器加(jia)熱(re)后進入反(fan)應(ying)器中(zhong)(zhong)。在CO反(fan)應(ying)器中(zhong)(zhong)廢(fei)氣(qi)(qi)被(bei)電(dian)加(jia)熱(re)器加(jia)熱(re)至300℃以上,經(jing)(jing)過(guo)(guo)催(cui)化(hua)(hua)劑時VOCs被(bei)催(cui)化(hua)(hua)氧化(hua)(hua)成H2O和CO2,隨(sui)后經(jing)(jing)兩(liang)級換熱(re)器廢(fei)熱(re)利用(yong)后達標排放(fang)。

風電(dian)行(xing)業(ye)VOCs治理
項目(mu)概述(shu)
某風電技術(shu)公司,在(zai)葉(xie)片進(jin)行噴涂工藝(yi)時產(chan)生(sheng)大量(liang)含有VOCs氣體,其中以乙(yi)酸正丁酯(zhi)為(wei)主(zhu),氣體濃度(du)為(wei)605.59mg/m3,處理風量(liang)59000m3/h。為(wei)滿足生(sheng)產(chan)需求(qiu)、適應市場變化(hua),決定(ding)對此生(sheng)產(chan)線進(jin)行改造。
方案綜述
含VOCs廢氣(qi)首先經(jing)過前(qian)處(chu)理裝(zhuang)(zhuang)置(zhi)(zhi)(zhi)去(qu)除大顆粒及對轉(zhuan)輪(lun)(lun)(lun)有害的物質(zhi),隨(sui)后進(jin)入沸(fei)石轉(zhuan)輪(lun)(lun)(lun)濃縮(suo)裝(zhuang)(zhuang)置(zhi)(zhi)(zhi),VOCs成分被沸(fei)石吸附(fu)(fu)后,達標排放(fang)至(zhi)大氣(qi)中。脫(tuo)附(fu)(fu)風機(ji)將一部分轉(zhuan)輪(lun)(lun)(lun)排放(fang)氣(qi)抽(chou)吸至(zhi)脫(tuo)附(fu)(fu)段,期間與(yu)換熱(re)器的高熱(re)氣(qi)進(jin)行換熱(re),溫度達到150~180℃,VOCs從沸(fei)石轉(zhuan)輪(lun)(lun)(lun)中脫(tuo)附(fu)(fu)出(chu)來,隨(sui)后進(jin)入RTO裝(zhuang)(zhuang)置(zhi)(zhi)(zhi),在RTO裝(zhuang)(zhuang)置(zhi)(zhi)(zhi)中被加熱(re)至(zhi)800℃以上,氧化成為CO2和H2O,排放(fang)至(zhi)大氣(qi)中。

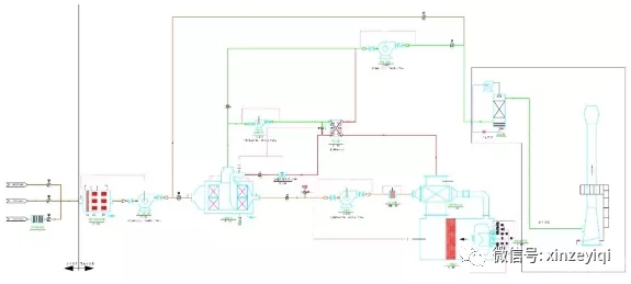
山東新澤儀(yi)器自主開發的 TK-1200 污染源(yuan)揮發性有(you)機物在(zai)線(xian)監測(ce)系統采用先進的全程伴熱預處(chu)理+在(zai)線色譜技術(shu)+火(huo)焰離子(zi)檢測法(FID),主要應用(yong)于對各種工業污(wu)染源排(pai)放有機物的(de)實時監測,本系列在線氣相色譜分(fen)析(xi)儀(yi)采用(yong)國際先進技術,性能穩(wen)定可靠,自動化程度高,檢(jian)測范圍寬,能夠(gou)測量(liang) VOCS、總烴(THC)、非甲烷總烴(NMHC)、苯(ben)及(ji)苯(ben)系物(wu)等(deng)多項參數,對 VOCS 的(de)濃度和(he)排放率進行連續、實(shi)時地跟(gen)蹤監(jian)控,并(bing)將所有的(de)監(jian)測參(can)數傳輸至工控機(ji)軟件(jian)和(he)用戶 DCS 系統(tong),可通過數采儀與環保部門的(de)數據(ju)系統(tong)通訊。系統(tong)設備放置在分析小屋內,操(cao)作(zuo)和維(wei)護方便,具有現場(chang)數據(ju)實(shi)時傳(chuan)送、遠程故障診斷(duan)等(deng)功能(neng),實(shi)現了(le)工作(zuo)現場(chang)的(de)無人值守。整套系統(tong)結構簡(jian)單,模塊化設計(ji),穩(wen)定性(xing)強,運行成本(ben)低。


需求溝通傾聽客戶需求,了解用戶使用環境和現場工況
方案設計根據現場實際工況,針對性出具解決方案
合同簽訂技術和商務規范確認,簽訂合作協議
產品制作選擇最優質的元器件,嚴格按照技術協議
調試安裝現場規范安裝,靜態動態調試,分析儀運行
售后服務后續維護,持續跟進,終身維修