歡迎光臨山東新澤儀器有限公司官方網站 CEMS在線監測 氣體分析儀 過程氣分析系統 進口分析儀表 聯系我們
西門子品牌
SITRANS SL 原位激光分析儀

SITRANS SL 原位激光分析儀

  • 品牌:SIEMENS
  • 型號:SITRANS SL
  • 廠家:西門子
產品說明

一(yi)、SITRANS SL 原位激光分析儀(yi)產品簡介

SITRANS SL是(shi)一(yi)款借助不(bu)同氣體組份特定光吸(xi)收的測量原(yuan)理的二極管激光氣體分析儀。SITRANS SL適(shi)合于過(guo)程或燃(ran)料氣(qi)體中的(de)氣(qi)體濃度的(de)快速和非接觸測(ce)量。傳感器(qi)(發射(she)器(qi)和接收(shou)器(qi)) 只需直接安(an)裝在(zai)(zai)監測的(de)(de)(de)工藝氣體(ti)管道(dao)上(shang),無(wu)需采樣系統。處理測量信號為一(yi)個(ge)濃度值、監控、控制和通訊(xun)服務的(de)(de)(de)硬件(jian)都被(bei)集成于(yu)這兩個(ge)主要的(de)(de)(de)模塊中。該傳感器是為嚴(yan)厲環境(jing)條(tiao)件(jian)下的(de)(de)(de)操作而設計的(de)(de)(de)。激(ji)光(guang)從變速器被(bei)發(fa)送(song),穿過過程(cheng)氣體(ti),到達接收器端上(shang)的(de)(de)(de)檢(jian)測器。測量是通過借助一(yi)個(ge)非常短的(de)(de)(de)響應時間而在(zai)(zai)線地執行的(de)(de)(de),允許(xu)過程(cheng)控制中快(kuai)速和有效的(de)(de)(de)成本節省。激(ji)光(guang)的(de)(de)(de)本質特(te)性(xing)決定了(le)單一(yi)的(de)(de)(de)光(guang)譜(pu)可以不受干擾(rao)。由于(yu)激(ji)光(guang)的(de)(de)(de)帶寬特(te)別窄(zhai),只有吸(xi)收光(guang)譜(pu)與之相吻合的(de)(de)(de)氣體(ti)組(zu)分才(cai)能夠(gou)有(吸(xi)收)反應。由于(yu)激(ji)光(guang)技術所(suo)固有的(de)(de)(de)優秀補償能力,所(suo)以來自(zi)其它方面的(de)(de)(de)干擾(rao),例如灰塵(chen)和溫度,就可很容(rong)易(yi)地被(bei)去(qu)除。在(zai)(zai)線的(de)(de)(de)內置參比池充滿(man)了(le)無(wu)干擾(rao)參比氣體(ti),是已存(cun)在(zai)(zai)的(de)(de)(de)西門子TDL(可調諧二極管激光)技(ji)術優勢的進一步發展,無需人(ren)為自標(biao)定而且(qie)維修要求(qiu)低。

二、選擇SITRANS SL 原位激光分析儀的理由

我國(guo)目前主(zhu)要(yao)采(cai)用(yong)(yong)(yong)電(dian)(dian)捕(bu)焦油(you)(you)器(qi)捕(bu)集(ji)煤(mei)(mei)(mei)氣(qi)(qi)(qi)中(zhong)(zhong)的(de)(de)(de)焦油(you)(you)霧(wu)(wu)。電(dian)(dian)捕(bu)焦油(you)(you)器(qi)是(shi)利(li)用(yong)(yong)(yong)高(gao)壓(ya)靜電(dian)(dian)作用(yong)(yong)(yong)下(xia)產生正負(fu)極(ji),使煤(mei)(mei)(mei)氣(qi)(qi)(qi)中(zhong)(zhong)的(de)(de)(de)焦油(you)(you)霧(wu)(wu)在隨煤(mei)(mei)(mei)氣(qi)(qi)(qi)通過電(dian)(dian)捕(bu)焦油(you)(you)器(qi)時,由于(yu)受到(dao)高(gao)壓(ya)電(dian)(dian)場(chang)的(de)(de)(de)作用(yong)(yong)(yong)被捕(bu)集(ji)下(xia)來(lai)。由于(yu)煤(mei)(mei)(mei)氣(qi)(qi)(qi)易燃易爆,如果煤(mei)(mei)(mei)氣(qi)(qi)(qi)中(zhong)(zhong)混有(you)氧(yang)(yang)氣(qi)(qi)(qi),當(dang)煤(mei)(mei)(mei)氣(qi)(qi)(qi)與氧(yang)(yang)氣(qi)(qi)(qi)的(de)(de)(de)混合比例(li)達到(dao)爆炸(zha)極(ji)限時就(jiu)會發生爆炸(zha)。因此氧(yang)(yang)含(han)量的(de)(de)(de)控制至關重要(yao)。而對O2濃度的(de)(de)(de)在線檢測(ce)主(zhu)要(yao)采(cai)用(yong)(yong)(yong)傳統的(de)(de)(de)抽取(qu)式氣(qi)(qi)(qi)體(ti)(ti)分(fen)析儀。這(zhe)一(yi)技(ji)術對氣(qi)(qi)(qi)體(ti)(ti)潔凈度的(de)(de)(de)要(yao)求十分(fen)苛刻,而氣(qi)(qi)(qi)體(ti)(ti)檢測(ce)采(cai)樣(yang)過程當(dang)中(zhong)(zhong)的(de)(de)(de)粉塵、焦油(you)(you)和(he)液滴等(deng)(deng)其它雜質,很容易污染(ran)分(fen)析儀內部元器(qi)件(jian),造成(cheng)采(cai)樣(yang)分(fen)析錯誤。在實際(ji)應用(yong)(yong)(yong)中(zhong)(zhong), 需要(yao)通過蒸汽引射探頭(tou)取(qu)樣(yang)、多級除(chu)塵、除(chu)硫、除(chu)萘、除(chu)焦油(you)(you)、除(chu)酸霧(wu)(wu)、除(chu)水(shui)等(deng)(deng)、增壓(ya)穩壓(ya)、穩流、快(kuai)速回路、伴熱保溫等(deng)(deng)樣(yang)品處理方式來(lai)完成(cheng)氣(qi)(qi)(qi)體(ti)(ti)潔凈度的(de)(de)(de)要(yao)求,確(que)保所使用(yong)(yong)(yong)的(de)(de)(de)磁氧(yang)(yang)分(fen)析儀能夠(gou)準確(que)分(fen)析及長期使用(yong)(yong)(yong)。

由此可(ke)見,抽取式氣(qi)體(ti)分(fen)析儀(yi)完全依賴(lai)于氣(qi)體(ti)的(de)(de)(de)采(cai)樣和預(yu)處(chu)(chu)理系統(tong)。如(ru)果一旦氣(qi)體(ti)的(de)(de)(de)采(cai)樣和預(yu)處(chu)(chu)理達(da)不(bu)到分(fen)析儀(yi)的(de)(de)(de)要(yao)求(qiu),儀(yi)器就會處(chu)(chu)于癱瘓(huan)狀(zhuang)態,同時要(yao)求(qiu)日常維護工作量(liang)與(yu)維護的(de)(de)(de)投入較(jiao)大。整(zheng)個分(fen)析過程的(de)(de)(de)采(cai)樣管(guan)線及(ji)預(yu)處(chu)(chu)理和分(fen)析儀(yi)之間距離較(jiao)長,導(dao)致系統(tong)響應時間長,分(fen)析反應遲滯,不(bu)能很好(hao)地滿足工業過程實時控(kong)制(zhi)的(de)(de)(de)要(yao)求(qiu)。

焦爐煤氣電捕焦油器典型工況

焦(jiao)爐煤氣電捕焦(jiao)油器典型工(gong)況

三、激光氣體分析儀測量原理及SITRANS SL型激光分析儀的特點

由(you)于各物質(zhi)分子內(nei)部結構不同,分子的能級(ji)也千差萬別,各能級(ji)之間(jian)的間(jian)隔也互(hu)不相同,這就決定了(le)它們選(xuan)擇性地吸收(shou)不同波長的光線。

激(ji)光(guang)(guang)分(fen)(fen)析儀(yi)正是依(yi)據分(fen)(fen)子的(de)特(te)征吸(xi)(xi)收譜,以比爾(er)-朗波(bo)特(te)定律(lv)為理論基礎(chu),充(chong)分(fen)(fen)發揮激(ji)光(guang)(guang)的(de)單色(se)性(xing)、方(fang)向性(xing)與高亮度(du)等特(te)性(xing),實現(xian)對某(mou)種特(te)定氣(qi)體進行濃(nong)度(du)分(fen)(fen)析。如果(guo)已知某(mou)種氣(qi)體成(cheng)分(fen)(fen)的(de)特(te)征吸(xi)(xi)收波(bo)長和(he)吸(xi)(xi)收常數,利用(yong)激(ji)光(guang)(guang)光(guang)(guang)源的(de)強單色(se)性(xing),使(shi)波(bo)長正好等于(yu)該成(cheng)分(fen)(fen)吸(xi)(xi)收波(bo)長的(de)光(guang)(guang)透過氣(qi)體,檢測(ce)并分(fen)(fen)析得(de)(de)到光(guang)(guang)的(de)吸(xi)(xi)收強度(du),結(jie)合(he)激(ji)光(guang)(guang)在氣(qi)體中的(de)傳播路徑,就能得(de)(de)到待測(ce)成(cheng)分(fen)(fen)的(de)濃(nong)度(du)。測(ce)量原(yuan)理示意如圖所示:

激光分析儀的特征吸收譜

 激光氣體分析(xi)儀測(ce)量(liang)原理示意圖與(yu)傳統氣體分析(xi)儀相比較,西門子公司的SITRANS SL型激光氣體分析(xi)儀具(ju)有如下優點:

(1)為提(ti)高(gao)測量靈敏性(xing),減(jian)少其它氣(qi)體(ti)分子的干擾,儀器采用(yong)了波長調制技術:將激光束的波長調節(jie)成被測氣(qi)體(ti)分子所(suo)吸(xi)收的特(te)定(ding)波長, 其它氣(qi)體(ti)分子對激光束不再(zai)產生吸(xi)收,解(jie)決了背景氣(qi)體(ti)的交叉干擾問題。

(2)“二(er)次(ci)諧(xie)波處理(li)(li)”方法和“自(zi)(zi)動(dong)增益(yi)(yi)控(kong)(kong)制(zhi)”技(ji)術專用于濾(lv)除(chu)粉(fen)(fen)塵影響及粉(fen)(fen)塵動(dong)態(tai)變化(hua)(hua)的(de)情況(kuang)。激光分析(xi)儀接收(shou)到的(de)信(xin)(xin)號(hao)(hao)(hao)弱(ruo)于發射信(xin)(xin)號(hao)(hao)(hao)的(de)強度,這(zhe)是(shi)粉(fen)(fen)塵阻擋(dang)與氣體(ti)(ti)吸收(shou)共同作用的(de)結(jie)果(guo)。粉(fen)(fen)塵對信(xin)(xin)號(hao)(hao)(hao)的(de)影響是(shi)遮擋(dang),信(xin)(xin)號(hao)(hao)(hao)強度在(zai)整個(ge)頻(pin)譜范圍內(nei)均有減弱(ruo),而氣體(ti)(ti)分子是(shi)有選擇性(xing)地吸收(shou),可以理(li)(li)解為(wei)(wei)是(shi)某個(ge)頻(pin)率(lv)的(de)函數。“二(er)次(ci)諧(xie)波處理(li)(li)”是(shi)將信(xin)(xin)號(hao)(hao)(hao)以數學級數的(de)方式(shi)展開(kai),只針對展開(kai)式(shi)的(de)二(er)次(ci)諧(xie)波信(xin)(xin)號(hao)(hao)(hao)進(jin)行分析(xi),這(zhe)樣就可以確保消除(chu)粉(fen)(fen)塵等(deng)干擾信(xin)(xin)號(hao)(hao)(hao),將粉(fen)(fen)塵等(deng)影響完全去除(chu)。“自(zi)(zi)動(dong)增益(yi)(yi)控(kong)(kong)制(zhi)”是(shi)一項智能控(kong)(kong)制(zhi)技(ji)術,根據接收(shou)到的(de)信(xin)(xin)號(hao)(hao)(hao)強度自(zi)(zi)動(dong)調節增益(yi)(yi)值,特(te)別是(shi)當粉(fen)(fen)塵含量(liang)動(dong)態(tai)變化(hua)(hua)時,縱然原始(shi)接收(shou)信(xin)(xin)號(hao)(hao)(hao)的(de)幅度變化(hua)(hua)劇烈(lie),經(jing)自(zi)(zi)動(dong)增益(yi)(yi)處理(li)(li)后,總能限制(zhi)在(zai)某一適當的(de)幅度范圍,既不過于微弱(ruo),也不會產生飽(bao)和失真(zhen)的(de)狀(zhuang)況(kuang)。正是(shi)由于采用“二(er)次(ci)諧(xie)波處理(li)(li)”技(ji)術,不會因(yin)為(wei)(wei)信(xin)(xin)號(hao)(hao)(hao)經(jing)“自(zi)(zi)動(dong)增益(yi)(yi)控(kong)(kong)制(zhi)”調控(kong)(kong)幅度而影響分析(xi)的(de)準(zhun)確性(xing),兩(liang)者相(xiang)輔相(xiang)成。

(3)分(fen)析儀(yi)器(qi)帶自(zi)動標定(ding)(ding)(ding)功(gong)能。通過在(zai)光(guang)路(lu)上增加氧同(tong)位(wei)素(su)模塊,使得儀(yi)器(qi)在(zai)每個分(fen)析周期都可(ke)以使用(yong)同(tong)位(wei)素(su)的(de)頻(pin)譜進行自(zi)我標定(ding)(ding)(ding),確保儀(yi)器(qi)的(de)零(ling)點和量程沒有漂(piao)移,具備長期運(yun)行穩定(ding)(ding)(ding)性。

(4)無(wu)需采樣預處理系統,具(ju)有(you)現場安裝(zhuang)測量(liang)、測量(liang)精度(du)高(gao)、響應速度(du)快等優點。

(5)激光分析儀具備ATEX II 2G Ex de op is IIC T6 / II 2 D Ex tD A21 IP65 T85 ?C認證,適用于更多的(de)危險(xian)環境(jing)應用。

 四、SITRANS SL 原位激光分(fen)析儀(yi)應(ying)用(yong)

為了(le)(le)能夠使激(ji)(ji)光(guang)氣體分析(xi)儀準確而又(you)有效的(de)應用(yong)于(yu)(yu)電捕焦油(you)器出(chu)口的(de)氧含量檢測這一特殊(shu)情(qing)況,基(ji)于(yu)(yu)激(ji)(ji)光(guang)氣體分析(xi)儀的(de)工作原理及(ji)電捕焦油(you)器出(chu)口的(de)現(xian)狀,我們(men)選(xuan)擇了(le)(le)SIEMENS SITRANS SL激(ji)(ji)光(guang)分析(xi)儀及(ji)與(yu)其配(pei)套的(de)安裝吹掃方式。

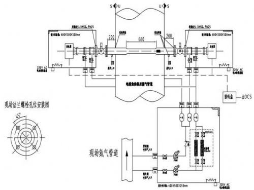
1、  激光氣體分析儀主要由帶吹掃單元的發射裝置、帶吹掃單元的接收裝置及處理單

元構(gou)成工作(zuo)原理,如(ru)圖所(suo)顯示。

  激光氣體分析儀構成圖

2、激光氣體分析儀測量示(shi)意圖

其原理是(shi):發(fa)射裝(zhuang)置和接受裝(zhuang)置通過法蘭(lan)安裝(zhuang)在現場的(de)(de)氣(qi)體管道(dao)的(de)(de)兩(liang)側,發(fa)射裝(zhuang)置發(fa)出(chu)的(de)(de)紅(hong)外激光(guang)(guang)發(fa)射到氣(qi)體管道(dao)另一側的(de)(de)接收裝(zhuang)置上(shang),由于管道(dao)內被測(ce)氣(qi)體分(fen)子對激光(guang)(guang)束(shu)進(jin)行單線(xian)光(guang)(guang)譜吸收,導致激光(guang)(guang)某一吸收譜線(xian)的(de)(de)光(guang)(guang)能(neng)量(liang)發(fa)生改變(bian)(bian),光(guang)(guang)能(neng)量(liang)變(bian)(bian)化情況與被測(ce)氣(qi)體含量(liang)成對應關系,通過檢測(ce)光(guang)(guang)能(neng)量(liang)變(bian)(bian)化情況就可以得出(chu)被測(ce)氣(qi)體的(de)(de)濃度。

3、現場使用情況

如圖所示,我們優化了(le)安裝方式,通(tong)過(guo)特(te)制的(de)(de)一體化吹(chui)(chui)掃管光(guang)程(cheng)系(xi)統,避免了(le)焦油、粉塵對光(guang)窗的(de)(de)污染,保證了(le)儀器的(de)(de)長期穩(wen)定(ding)運(yun)行。通(tong)過(guo)特(te)制的(de)(de)吹(chui)(chui)掃氣控制系(xi)統,確保了(le)吹(chui)(chui)掃氣的(de)(de)可選擇(ze)范圍更大,對吹(chui)(chui)掃氣的(de)(de)質(zhi)量(liang)、流量(liang)及壓力做到更穩(wen)定(ding)的(de)(de)控制。

激光氣體分析儀吹掃單元及安裝示意圖

激(ji)光氣(qi)體分析儀吹掃單元(yuan)及安裝示意(yi)圖(tu)

4、主要特點

(1)原(yuan)位安裝,無需樣(yang)品維(wei)護的成本及不確定性(xing);

(2)實時(shi)測(ce)量分析,響(xiang)應(ying)時(shi)間(jian)快,不(bu)存在滯后時(shi)間(jian),確保(bao)用(yong)戶設備的使用(yong)安全;

(3)吹掃(sao)氣的(de)吹掃(sao),確保工藝中的(de)水分、粉塵(chen)、焦油(you)等有害(hai)物質污染光窗;

(4)測量(liang)靈敏性高(gao),受其(qi)它氣(qi)體分子的交叉干擾(rao)小(xiao);

(5)采用二次(ci)諧波技術,防止粉塵對測量的干擾;

(6)緊(jin)湊型的設計,確保其穩固耐用(yong);

(7)內置(zhi)參比(bi)池的設計,可(ke)自(zi)動標定,確保其測量(liang)穩定;

(8)自(zi)動增益控(kong)制(zhi),做到了動態煙塵(chen)補償(chang),避免了因工藝粉塵(chen)變化影響透光(guang)率(lv);

五(wu)、SITRANS SL 原(yuan)位激光(guang)分析儀圖片展示

      

    西門子氣體分析儀

    激光氣體分析儀

       激光氣體分析儀

        

        激光氣體分析儀

            激光氣體分析儀

                 

              激光氣體分析儀解剖圖          


tag:


優質的服務流程

· quality of service processes ·

掃一掃,微信關注掃一掃,微信關注

Copyright ? 2015-2023 山東新澤儀器有限公司 版權所有
全國熱線:400-050-3910
E-mail:xinzeyiqi@163.com
地址:濟南市槐蔭區太平河南路1567號均和云谷匯智港6號樓
? XML地圖



受信任網站


逛了(le)這(zhe)么久,何不分(fen)析儀(yi)工程師?1分(fen)鐘留下信息我們將給您出具解(jie)決(jue)方案!

在線咨詢

Online Consulting

在線客服
掃一掃,微(wei)信關注

咨詢熱線

400-050-3910