ZKJ型紅外氣體分析儀
- 品牌:富士電機
- 型號:ZKJ型
- 廠家:日本富士
能測量NOx、SO2、CO、CO2、CH4、O2的紅外氣體(ti)分析儀ZKJ型(xing)
一(yi)、產品簡介:
測量焚燒爐、燃燒排氣、各種工業爐等的NOX、SO2、CO、CO2、CH4、O2氣體分析儀。
1臺分析儀可同時連續測量5組分氣體的組分。

二、特點(dian)
最適合測量焚(fen)燒爐(lu)、燃燒排氣、各(ge)種工業爐(lu)等(deng)的NOx、SO2、CO、CO2、CH4、O2 氣體濃(nong)度。
· 最多可以同時連續檢測NO、SO2、CO、CO2、CH4、N2O中的4種組分以及加上O2,最多5種組分的氣體
· 采用mass-flow,幾乎不受其它氣體的影響
· 具有自動校正、O2換算輸出、平均值輸出、報警等豐富的功能
· 采用清晰易見的大型液晶顯示,能同時監視5種組分的濃度變化
· 19英寸柜機安裝結構,很容易構建氣體分析系統
· 備有內置磁氧分析儀或另售品氧化鋯氧分析儀2種測量O2的儀表
· 量程比最大達1:25,而且在指定量程內能自由地進行量程設定、變更
· 漂移為±1%FS/周(0-200ppm以上的量程)





三、氣體采樣系統(tong)構成例
下圖是測量鍋爐,垃圾焚燒爐等燃燒排氣監視器的5組分氣體的一般系統構成例。
本公司可建構適合各種用途的系統。

四、ZKJ型紅外氣體(ti)分(fen)析(xi)儀主要規格(ge)參(can)數(shu):
測量原理 | 非分散紅外線方式:NOX、SO2、CO、CO2、CH4 | |
測量組(zu)分 | 一組分:NOX、SO2、CO、CO2、CH4 | |
測量范圍 | NOX :0~50ppm···5000ppm | |
重復性 | ±0.5%FS(50ppm以下(xia)為(wei)±1%FS) | |
零點漂(piao)移 | 不超過±1.0%FS/周 | |
滿量程漂(piao)移 | 不超過(guo)±2.0%FS/周(50ppm以下為±2.0%FS/日) | |
線性度(du) | ±1.0%FS | |
響應時間 | 最遲60秒以內(90%響應)、試(shi)樣(yang)氣體(ti)0.5L/min時) | |
輸出信號(hao) | 各DC4~20mA(線性)或DC0~1V(線性) 接點(dian)輸出(chu)(CO峰值計數/報警、濃度上下限報警、自動校正中、儀表異(yi)常時、量程識別、校正異(yi)常等) | |
接(jie)點輸入 | 自(zi)動校(xiao)正開始、平(ping)均(jun)值復(fu)位(wei)、量程切換(huan)、平(ping)均(jun)值復(fu)位(wei)、泵OFF等 | |
功(gong)能 | 自動(dong)校(xiao)正、O2換算運(yun)算、平(ping)均(jun)值運(yun)算、CO峰值計(ji)數/報警、輸出信號保持等(deng) | |
環境條(tiao)件 | -5~+40℃、不超過90%RH | |
電(dian)源電(dian)壓(ya) | AC100~240V 50/60Hz、250VA | |
外形(xing)尺寸 | 483(W)×177(H)×578(D)mm | |
標準測量 | 溫度 | 0~50℃ |
流量 | 0.5L/min±0.2L/min | |
塵埃 | 不超過1μm的微粒(li), 不超過100μg/Nm3 | |
壓力(li) | 不超過10kPa(氣體出口(kou)側應為(wei)大氣壓) | |
氣(qi)霧 | 無(wu) | |
腐蝕性成(cheng)分(fen) | 不超過1ppm | |
水分(fen) | 不超過2℃飽和(應(ying)無結(jie)露) | |
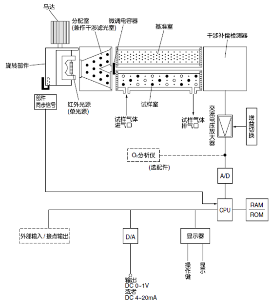
五(wu)、紅外式測(ce)量原理(li)圖 (NO、SO2、CO2、CO、CH4、N2O)

六、磁氧式(shi)測量原理圖 (O2)

七、氣體采樣系統組成(cheng)示例
下(xia)圖是用于(yu)監控鍋爐(lu)、垃(la)圾焚燒爐(lu)等的燃(ran)燒廢氣而構建的測量(liang)5種氣體(ti)(ti)組分的常規系統示例。

八、各(ge)組件的作(zuo)用
① 氣體(ti)采樣器(qi):帶加熱(re)式不銹(xiu)鋼(gang)過(guo)(guo)濾器(qi)氣體(ti)采樣器(qi)、過(guo)(guo)濾網孔徑為標準40μm
② 濾(lv)霧器(qi):分離(li)排(pai)水及(ji)去除塵霧
③ 安全排水回水彎(wan)管:防(fang)止吸(xi)入排水、與(yu)定壓擴(kuo)散(san)器(qi)組合動(dong)作(zuo)
④ 吸(xi)(xi)氣器:用于吸(xi)(xi)取試(shi)樣氣體(ti)(試(shi)樣氣體(ti)流量約2L/分)
⑤ 電(dian)子式氣體冷凝器(qi):去除試樣氣體中的水(shui)分
⑥ 電(dian)磁閥:用(yong)于導入校正(zheng)氣體(ti)
⑦ 高分子膜過濾(lv)(lv)器(qi):在使用(yong)玻璃(li)纖維過濾(lv)(lv)紙或PTFE過濾(lv)(lv)器(qi)除去微細灰塵(chen)的同時,主件(jian)監(jian)視灰塵的(de)附(fu)著狀(zhuang)態
⑧ 流量計:調整(zheng)、監視采(cai)樣氣體(ti)的流量
⑨ 標準氣體(ti): 是(shi)校(xiao)正分析儀的零點(dian)、滿(man)量程的基準氣體(ti)。共計使用(yong)零點(dian)氣體(ti)、滿(man)量程氣體(ti)NOx、SO2、CO、CO2、O26種
⑩ 氧化(hua)鋯O2傳(chuan)感器(qi):(已內置(zhi)(zhi)于(yu)分(fen)析(xi)儀時不需要)是(shi)外置(zhi)(zhi)氧化(hua)鋯式氧傳(chuan)感器(qi)。測(ce)量氣(qi)體(ti)(ti)中的氧濃度(0~25%)
⑾ 轉(zhuan)換(huan)器:附(fu)加于NOx分析裝置中(zhong)。是使用特(te)殊(shu)催化(hua)劑(ji)將(jiang)NO2氣體高效地(di)轉(zhuan)化(hua)成NO的轉(zhuan)換器
- ZAF型熱導式氣體分析儀2016-04-07
- CEMS煙氣ZPB型紅外氣體分析儀2016-04-07
- 熱處理爐用ZFG型紅外氣體分析儀2016-04-07
- ZFK8/ZKM型直插式氧化鋯分析儀2016-04-07
- ZFKE/ZKME型耐壓防爆型氧化鋯分析儀2016-04-07
- ZSS型激光式氣體分析儀2016-04-07
- ZKJ型紅外氣體分析儀2016-04-07
- ZRJ型紅外氣體分析儀2016-04-07
- ZPG型紅外氣體分析儀2016-04-07
- ZAJ型磁氧分析儀2016-04-07
- 煙氣排放連續監測系統2023-05-06
- 抽取式超低粉塵儀2023-05-06
- 氨逃逸在線監測設備2023-05-06
- 環境空氣非甲烷總烴連續監測系統2023-05-06
- 污染源VOCs監測系統2023-05-06
- 二氧化碳(CO2)排放連續監測系統2023-05-06
- 廢氣非甲烷總烴在線監測系統2022-04-06
- 冶金行業在線氣體分析系統2023-05-06
- 乙炔中氧氣含量分析系統2023-05-06
- 防爆型煙氣連續排放監測系統2023-05-06


當前位置:
需求溝通傾聽客戶需求,了解用戶使用環境和現場工況
方案設計根據現場實際工況,針對性出具解決方案
合同簽訂技術和商務規范確認,簽訂合作協議
產品制作選擇最優質的元器件,嚴格按照技術協議
調試安裝現場規范安裝,靜態動態調試,分析儀運行
售后服務后續維護,持續跟進,終身維修


咨詢熱線