歡迎光臨山東新澤儀器有限公司官方網站 CEMS在線監測 氣體分析儀 過程氣分析系統 進口分析儀表 聯系我們
西門子品牌
高爐煤氣SITRANS SL原位激光分析儀

高爐煤氣SITRANS SL原位激光分析儀

  • 品牌:SIEMENS
  • 型號:SITRANS SL
  • 廠家:西門子
產品說明

一、我國冶金行業的現狀

鋼(gang)鐵行(xing)業(ye)(ye)在我國的國民經(jing)濟(ji)中(zhong)(zhong),占(zhan)有舉(ju)足輕重的地位。作為(wei)全(quan)球制造業(ye)(ye)中(zhong)(zhong)心,中(zhong)(zhong)國的工(gong)業(ye)(ye)化(hua)發展的潛力(li)很大(da),經(jing)濟(ji)的持續增長,會為(wei)鋼(gang)鐵行(xing)業(ye)(ye)的發展提供動力(li)。而今,中(zhong)(zhong)國的鋼(gang)鐵行(xing)業(ye)(ye)正經(jing)歷著兼(jian)并重組,淘汰落后產(chan)能,優化(hua)產(chan)業(ye)布局,發展循(xun)環(huan)經濟,實現節能減排的過程。鋼鐵(tie)行(xing)業(ye)健(jian)康穩步的發展,關系重大。

鋼鐵的(de)冶煉過程實質上是原材料、燃料和成品的(de)流(liu)轉過程,在流(liu)轉中伴隨(sui)著大量氣體(ti)產(chan)生,而在線(xian)檢測(ce)分析這(zhe)些過程氣體(ti)是冶金工(gong)業生產(chan)工(gong)藝優化控制、安全和環(huan)保監控必不可少的(de)關鍵(jian)技(ji)術之一(yi)。西門(men)子(zi)是中國(guo)(guo)鋼鐵工(gong)業的(de)合作伙伴,一(yi)直致力于推動中國(guo)(guo)鋼鐵工(gong)業自動化水(shui)平的(de)不斷提高。西門(men)子(zi)分析儀(yi)器能夠應用于(yu)鋼鐵行(xing)業(ye)(ye)中的(de)(de)煉鋼、煉鐵及燒結等各個(ge)裝置(zhi),對降(jiang)低能源消耗、保證生產安全(quan)等起著十分重(zhong)要的(de)(de)作用,還(huan)對鋼鐵企業(ye)(ye)增大(da)產能,提高產品質量有積極的(de)(de)效果。

二、高爐(lu)煤氣為(wei)什么要安裝SITRANS SL 原位(wei)激光分析(xi)儀

高(gao)爐(lu)冶煉是(shi)當今煉鐵工藝中(zhong)最主要的煉鐵方法。時(shi)(shi)事檢(jian)測(ce)出高(gao)爐(lu)煤氣中(zhong)各組分的含量(liang)(liang)可以及時(shi)(shi)反應出爐(lu)內狀況(kuang),指導高(gao)爐(lu)的操作,從而保(bao)證了高(gao)爐(lu)穩定順(shun)利的運行,同時(shi)(shi)為提高(gao)產品質量(liang)(liang)、產量(liang)(liang)起(qi)著十分重要的作用。

西門子分析儀可以在線檢測(ce)高爐(lu)煤氣(qi)中N2COCO2H2的含(han)量,每一個周期(qi)自動向高(gao)爐控制中心提供一組準確、可靠的高爐煤氣中各組份的百分含量。通過計算CO2/(CO+CO2)的比值來判斷煤氣利用率,控制焦煤比,一般在焦炭負荷不變的情況下比價降低,說明煤氣利用率降低,預示著高爐轉涼;通過觀察H2的含量判斷風口中小套高壓水及爐身冷卻壁常壓水是否漏水,如果H2值增加,說明存(cun)在漏水,為防止爆炸(zha),需盡快解決;通(tong)過對N2含量的檢測,可推測出高爐的泄漏(lou)率(lv)。一般采(cai)樣點選(xuan)在重力除塵器后,布袋除塵前的煤氣水平管道上。由于西門子分析儀擁有諸多技術優勢,提高了測量的響應時間,保證了測量數據的可靠性。還有,分析儀表可以幫助測量熱風爐出口的O2含量,優化高爐燃燒(shao),提高產品質(zhi)量。

另外,為了提高煉(lian)鐵(tie)的(de)經(jing)濟(ji)性,降低成本,國內許多高爐采用(yong)噴煙(yan)煤(mei)或參噴煙(yan)煤(mei)完(wan)成煉(lian)鐵(tie)工藝(yi)。由于煙煤揮發性和可燃性比較高,在磨煤機磨煤時,進入過多的氧氣易引起爆炸,所以在磨煤機前的熱風管道上以及磨煤機之后的布袋除塵器之后都要檢測氧的含量,若氧含量過高,則要報警。在煤粉倉中,還要檢測CO的(de)含量,當CO含量過高時,需要及時沖氮,防止事故發生。

在高爐噴煤的應用中,西門子的SITRANS SL 原位激(ji)光(guang)分析(xi)儀都有很好的應用。其中,激光分析儀比起傳統的抽取式的分析儀有他本身自有的優勢。首先(xian),激(ji)光(guang)分(fen)析儀采用原位式安裝,直接安裝于工藝管道上,省(sheng)去了采樣探頭、采樣管線和預處理系統。其次,激光分析儀維護起(qi)來(lai)非(fei)常簡便,降低了維護費用。最(zui)后,激光分析儀的響應時間最(zui)低可達1秒,為安全保護系統及時提供數據,可以勝任關鍵點的測量。值得一提的是,雖然激光分析儀有諸多優勢,但其不能完全代替傳統的分析儀表。在一些測量點上,比如磨煤機出口,煤粉倉等,由于含塵量非常大,激光的透光率會受到很大的影響,從而使得測量效果變差。這個時候只能采用傳統抽取式分析儀來測量。

在鋼鐵行業中(zhong),西門子憑借其(qi)齊全的產品線(xian),可以提(ti)供完全的解決方案,如下所(suo)示(shi)是(shi)西門子(zi)分析儀在高爐煉鐵工藝中的應用。

西門子分析儀在鋼鐵上的應用

三、選擇SITRANS SL 原位(wei)激光分析儀正確的(de)選擇

   1、SITRANS SL 原位(wei)激光分析儀(yi)產(chan)品簡(jian)介

SITRANS SL是(shi)一(yi)款(kuan)借助不同(tong)氣體(ti)組(zu)份特定光吸收(shou)的測量原理的二極管激光氣體(ti)分析儀。SITRANS SL適合于(yu)過程或燃料氣(qi)體中的(de)氣(qi)體濃度的(de)快(kuai)速和非接觸測量。傳感器(發射器和接收(shou)器) 只(zhi)需直接安裝在(zai)監測的(de)(de)(de)(de)(de)工藝(yi)氣體管道上,無需采樣系統。處理測量信號(hao)為一個濃度值、監控、控制和通訊服(fu)務的(de)(de)(de)(de)(de)硬(ying)件(jian)都被集成于(yu)這兩(liang)個主要(yao)的(de)(de)(de)(de)(de)模塊中。該傳感器是為嚴厲(li)環境條件(jian)下的(de)(de)(de)(de)(de)操作而設計(ji)的(de)(de)(de)(de)(de)。激(ji)光(guang)(guang)(guang)從變速器被發送,穿過(guo)過(guo)程氣體,到(dao)達接收器端上的(de)(de)(de)(de)(de)檢(jian)測器。測量是通過(guo)借助一個非常短的(de)(de)(de)(de)(de)響應(ying)時間而在(zai)線(xian)(xian)地執行的(de)(de)(de)(de)(de),允許過(guo)程控制中快(kuai)速和有效的(de)(de)(de)(de)(de)成本節省。激(ji)光(guang)(guang)(guang)的(de)(de)(de)(de)(de)本質特性決定了單一的(de)(de)(de)(de)(de)光(guang)(guang)(guang)譜可以(yi)不受干(gan)(gan)擾(rao)。由(you)于(yu)激(ji)光(guang)(guang)(guang)的(de)(de)(de)(de)(de)帶寬特別窄(zhai),只(zhi)有吸收光(guang)(guang)(guang)譜與(yu)之相吻合的(de)(de)(de)(de)(de)氣體組分(fen)才能(neng)夠有(吸收)反應(ying)。由(you)于(yu)激(ji)光(guang)(guang)(guang)技術所(suo)(suo)固有的(de)(de)(de)(de)(de)優(you)秀補償能(neng)力,所(suo)(suo)以(yi)來自其它方面的(de)(de)(de)(de)(de)干(gan)(gan)擾(rao),例如灰塵和溫度,就(jiu)可很容(rong)易地被去除。在(zai)線(xian)(xian)的(de)(de)(de)(de)(de)內(nei)置參(can)(can)比(bi)池充(chong)滿了無干(gan)(gan)擾(rao)參(can)(can)比(bi)氣體,是已存在(zai)的(de)(de)(de)(de)(de)西(xi)門子(zi)TDL(可調諧二極管激光)技(ji)術優勢的進一步發展,無(wu)需人為自標定而且(qie)維修要求低。

   2、選擇SITRANS SL 原位激(ji)光分析(xi)儀的(de)理(li)由

我國目前主(zhu)要(yao)采(cai)用(yong)(yong)電(dian)捕焦(jiao)(jiao)油(you)(you)器捕集煤氣(qi)(qi)(qi)(qi)中(zhong)(zhong)的(de)(de)(de)焦(jiao)(jiao)油(you)(you)霧(wu)。電(dian)捕焦(jiao)(jiao)油(you)(you)器是利用(yong)(yong)高壓(ya)(ya)(ya)靜(jing)電(dian)作(zuo)(zuo)用(yong)(yong)下(xia)(xia)產生正(zheng)負極,使(shi)煤氣(qi)(qi)(qi)(qi)中(zhong)(zhong)的(de)(de)(de)焦(jiao)(jiao)油(you)(you)霧(wu)在(zai)(zai)(zai)隨(sui)煤氣(qi)(qi)(qi)(qi)通過(guo)電(dian)捕焦(jiao)(jiao)油(you)(you)器時,由于(yu)受到高壓(ya)(ya)(ya)電(dian)場的(de)(de)(de)作(zuo)(zuo)用(yong)(yong)被捕集下(xia)(xia)來。由于(yu)煤氣(qi)(qi)(qi)(qi)易(yi)(yi)燃(ran)易(yi)(yi)爆(bao),如果煤氣(qi)(qi)(qi)(qi)中(zhong)(zhong)混(hun)有氧(yang)(yang)氣(qi)(qi)(qi)(qi),當(dang)煤氣(qi)(qi)(qi)(qi)與氧(yang)(yang)氣(qi)(qi)(qi)(qi)的(de)(de)(de)混(hun)合比例達(da)到爆(bao)炸極限時就會發生爆(bao)炸。因此氧(yang)(yang)含量的(de)(de)(de)控制至關重要(yao)。而對O2濃度的(de)(de)(de)在(zai)(zai)(zai)線檢(jian)測主(zhu)要(yao)采(cai)用(yong)(yong)傳統(tong)的(de)(de)(de)抽取式氣(qi)(qi)(qi)(qi)體(ti)(ti)分(fen)析(xi)儀(yi)。這一(yi)技術對氣(qi)(qi)(qi)(qi)體(ti)(ti)潔(jie)凈度的(de)(de)(de)要(yao)求(qiu)十分(fen)苛刻(ke),而氣(qi)(qi)(qi)(qi)體(ti)(ti)檢(jian)測采(cai)樣過(guo)程當(dang)中(zhong)(zhong)的(de)(de)(de)粉(fen)塵(chen)、焦(jiao)(jiao)油(you)(you)和液滴等(deng)(deng)其它雜質,很容(rong)易(yi)(yi)污染分(fen)析(xi)儀(yi)內部元器件(jian),造成采(cai)樣分(fen)析(xi)錯誤(wu)。在(zai)(zai)(zai)實際(ji)應用(yong)(yong)中(zhong)(zhong), 需要(yao)通過(guo)蒸汽引射探頭取樣、多級除(chu)(chu)塵(chen)、除(chu)(chu)硫、除(chu)(chu)萘、除(chu)(chu)焦(jiao)(jiao)油(you)(you)、除(chu)(chu)酸霧(wu)、除(chu)(chu)水等(deng)(deng)、增壓(ya)(ya)(ya)穩(wen)壓(ya)(ya)(ya)、穩(wen)流(liu)、快速(su)回(hui)路、伴熱保溫等(deng)(deng)樣品處理方式來完成氣(qi)(qi)(qi)(qi)體(ti)(ti)潔(jie)凈度的(de)(de)(de)要(yao)求(qiu),確(que)(que)保所(suo)使(shi)用(yong)(yong)的(de)(de)(de)磁氧(yang)(yang)分(fen)析(xi)儀(yi)能(neng)夠(gou)準確(que)(que)分(fen)析(xi)及長期使(shi)用(yong)(yong).

由(you)此可(ke)見,抽取式氣(qi)體分(fen)析儀(yi)完全依賴于氣(qi)體的(de)采(cai)(cai)樣和預處(chu)理(li)系(xi)統。如果一旦氣(qi)體的(de)采(cai)(cai)樣和預處(chu)理(li)達不到分(fen)析儀(yi)的(de)要求(qiu)(qiu),儀(yi)器就會處(chu)于癱瘓狀(zhuang)態,同時(shi)要求(qiu)(qiu)日常維護工作量與維護的(de)投入較(jiao)大。整個分(fen)析過程的(de)采(cai)(cai)樣管線及(ji)預處(chu)理(li)和分(fen)析儀(yi)之間(jian)距離較(jiao)長(chang),導致系(xi)統響應(ying)時(shi)間(jian)長(chang),分(fen)析反應(ying)遲滯(zhi),不能很好地(di)滿足工業過程實(shi)時(shi)控制的(de)要求(qiu)(qiu)。

焦爐煤氣電捕焦油器典型工況

 焦爐煤氣電捕焦油(you)器典型工況

   3激光氣體分析儀測量原理及SITRANS SL型激光分析儀的特點

由于各物(wu)質分子(zi)內部(bu)結構不(bu)同(tong),分子(zi)的(de)能(neng)級也千差萬別,各能(neng)級之間的(de)間隔也互不(bu)相同(tong),這(zhe)就決定了它們選擇性地吸收不(bu)同(tong)波長的(de)光線(xian)。

激(ji)光(guang)(guang)分(fen)析儀正(zheng)是依據分(fen)子的(de)(de)(de)特(te)(te)征(zheng)(zheng)吸(xi)(xi)收譜,以比爾-朗(lang)波(bo)特(te)(te)定律(lv)為理論基(ji)礎,充(chong)分(fen)發揮激(ji)光(guang)(guang)的(de)(de)(de)單色(se)性、方向性與高亮度(du)等特(te)(te)性,實現(xian)對某種特(te)(te)定氣(qi)體進行濃度(du)分(fen)析。如果已(yi)知(zhi)某種氣(qi)體成分(fen)的(de)(de)(de)特(te)(te)征(zheng)(zheng)吸(xi)(xi)收波(bo)長和吸(xi)(xi)收常數,利用激(ji)光(guang)(guang)光(guang)(guang)源的(de)(de)(de)強單色(se)性,使波(bo)長正(zheng)好等于該成分(fen)吸(xi)(xi)收波(bo)長的(de)(de)(de)光(guang)(guang)透過氣(qi)體,檢(jian)測并分(fen)析得到光(guang)(guang)的(de)(de)(de)吸(xi)(xi)收強度(du),結合(he)激(ji)光(guang)(guang)在氣(qi)體中的(de)(de)(de)傳播(bo)路徑,就能得到待測成分(fen)的(de)(de)(de)濃度(du)。測量原理示(shi)意如圖所示(shi):

激光分析儀特征吸收譜

 激光氣(qi)體(ti)分析儀測量原理示意圖(tu)與傳(chuan)統氣(qi)體(ti)分析儀相比較,西門子公司的 SITRANS SL型激光氣(qi)體(ti)分析儀具(ju)有(you)如(ru)下優點(dian):

(1)為提高測(ce)量靈敏性,減少其(qi)它氣體(ti)(ti)分(fen)子的(de)(de)(de)干擾,儀器采用了(le)波長調制技術:將激光束(shu)的(de)(de)(de)波長調節成被測(ce)氣體(ti)(ti)分(fen)子所吸收(shou)的(de)(de)(de)特定波長, 其(qi)它氣體(ti)(ti)分(fen)子對(dui)激光束(shu)不(bu)再產生吸收(shou),解決了(le)背景氣體(ti)(ti)的(de)(de)(de)交叉(cha)干擾問題。

(2)“二次(ci)(ci)諧(xie)波處(chu)理(li)(li)(li)”方法(fa)和(he)“自(zi)(zi)動(dong)增(zeng)(zeng)益(yi)控制(zhi)”技(ji)術專用于(yu)濾除(chu)粉(fen)(fen)塵(chen)影(ying)響及粉(fen)(fen)塵(chen)動(dong)態變(bian)(bian)化的(de)(de)(de)(de)(de)情況。激光分析(xi)(xi)儀接收(shou)到的(de)(de)(de)(de)(de)信(xin)(xin)(xin)號(hao)弱(ruo)于(yu)發射信(xin)(xin)(xin)號(hao)的(de)(de)(de)(de)(de)強度(du),這(zhe)是(shi)(shi)粉(fen)(fen)塵(chen)阻擋與氣體吸(xi)收(shou)共同作用的(de)(de)(de)(de)(de)結果。粉(fen)(fen)塵(chen)對信(xin)(xin)(xin)號(hao)的(de)(de)(de)(de)(de)影(ying)響是(shi)(shi)遮擋,信(xin)(xin)(xin)號(hao)強度(du)在(zai)整個頻譜范圍內均有減(jian)弱(ruo),而氣體分子(zi)是(shi)(shi)有選擇(ze)性地吸(xi)收(shou),可以(yi)(yi)理(li)(li)(li)解(jie)為(wei)是(shi)(shi)某(mou)個頻率的(de)(de)(de)(de)(de)函(han)數。“二次(ci)(ci)諧(xie)波處(chu)理(li)(li)(li)”是(shi)(shi)將信(xin)(xin)(xin)號(hao)以(yi)(yi)數學級數的(de)(de)(de)(de)(de)方式展開,只(zhi)針(zhen)對展開式的(de)(de)(de)(de)(de)二次(ci)(ci)諧(xie)波信(xin)(xin)(xin)號(hao)進行分析(xi)(xi),這(zhe)樣就可以(yi)(yi)確保消除(chu)粉(fen)(fen)塵(chen)等干擾信(xin)(xin)(xin)號(hao),將粉(fen)(fen)塵(chen)等影(ying)響完全去除(chu)。“自(zi)(zi)動(dong)增(zeng)(zeng)益(yi)控制(zhi)”是(shi)(shi)一項智能控制(zhi)技(ji)術,根(gen)據接收(shou)到的(de)(de)(de)(de)(de)信(xin)(xin)(xin)號(hao)強度(du)自(zi)(zi)動(dong)調節增(zeng)(zeng)益(yi)值(zhi),特別是(shi)(shi)當粉(fen)(fen)塵(chen)含(han)量動(dong)態變(bian)(bian)化時,縱然原始接收(shou)信(xin)(xin)(xin)號(hao)的(de)(de)(de)(de)(de)幅度(du)變(bian)(bian)化劇烈,經自(zi)(zi)動(dong)增(zeng)(zeng)益(yi)處(chu)理(li)(li)(li)后,總能限制(zhi)在(zai)某(mou)一適當的(de)(de)(de)(de)(de)幅度(du)范圍,既不過(guo)于(yu)微弱(ruo),也不會產(chan)生(sheng)飽和(he)失真的(de)(de)(de)(de)(de)狀況。正是(shi)(shi)由于(yu)采(cai)用“二次(ci)(ci)諧(xie)波處(chu)理(li)(li)(li)”技(ji)術,不會因為(wei)信(xin)(xin)(xin)號(hao)經“自(zi)(zi)動(dong)增(zeng)(zeng)益(yi)控制(zhi)”調控幅度(du)而影(ying)響分析(xi)(xi)的(de)(de)(de)(de)(de)準確性,兩者相(xiang)輔相(xiang)成。

(3)分(fen)(fen)析(xi)儀(yi)器帶自(zi)動標(biao)定功能。通過(guo)在(zai)光路上增加氧(yang)同(tong)(tong)位素(su)(su)模塊,使得儀(yi)器在(zai)每個分(fen)(fen)析(xi)周期都(dou)可以使用同(tong)(tong)位素(su)(su)的頻譜進(jin)行(xing)自(zi)我標(biao)定,確(que)保儀(yi)器的零點(dian)和量程沒有漂(piao)移,具備長期運行(xing)穩(wen)定性。

(4)無需采樣預處理系統,具有現場(chang)安裝(zhuang)測量、測量精(jing)度高、響(xiang)應速(su)度快等優點。

(5)激光分析儀具備ATEX II 2G Ex de op is IIC T6 / II 2 D Ex tD A21 IP65 T85?C認(ren)證,適用于更多的危險(xian)環境應(ying)用。

   4SITRANS SL 原位激光分析儀應用

  為了(le)能(neng)夠使激(ji)光(guang)氣體(ti)(ti)分析(xi)儀準確(que)而又有效(xiao)的(de)(de)應用于(yu)電(dian)捕焦油器出口的(de)(de)氧含(han)量檢測(ce)這(zhe)一特(te)殊情況,基于(yu)激(ji)光(guang)氣體(ti)(ti)分析(xi)儀的(de)(de)工作原理及電(dian)捕焦油器出口的(de)(de)現狀,我(wo)們選擇了(le)SIEMENS SITRANS SL激(ji)光(guang)分析(xi)儀及與其(qi)配套的(de)(de)安裝吹掃方式(shi)。

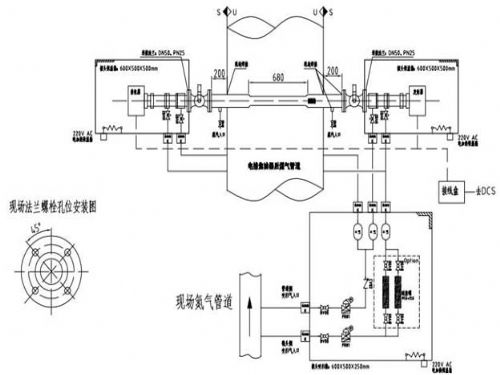
    1)激(ji)光氣(qi)體分析儀主要由帶吹(chui)掃(sao)單(dan)(dan)(dan)元的(de)發射裝置、帶吹(chui)掃(sao)單(dan)(dan)(dan)元的(de)接收裝置及(ji)處理(li)單(dan)(dan)(dan)元構成工作原理(li),如(ru)圖(tu)所顯示。

    激光氣體分析儀的構成  

2)激光氣體分析(xi)儀測量示(shi)意圖

其原理:發(fa)(fa)(fa)射(she)(she)裝置和(he)接受(shou)裝置通過法蘭安裝在現場(chang)的(de)(de)氣(qi)體(ti)管(guan)(guan)(guan)道的(de)(de)兩側(ce)(ce),發(fa)(fa)(fa)射(she)(she)裝置發(fa)(fa)(fa)出的(de)(de)紅(hong)外激(ji)光(guang)(guang)(guang)發(fa)(fa)(fa)射(she)(she)到氣(qi)體(ti)管(guan)(guan)(guan)道另一側(ce)(ce)的(de)(de)接收(shou)裝置上,由于管(guan)(guan)(guan)道內(nei)被(bei)測氣(qi)體(ti)分子對激(ji)光(guang)(guang)(guang)束進行單線(xian)光(guang)(guang)(guang)譜(pu)吸收(shou),導致激(ji)光(guang)(guang)(guang)某一吸收(shou)譜(pu)線(xian)的(de)(de)光(guang)(guang)(guang)能(neng)量發(fa)(fa)(fa)生改變(bian),光(guang)(guang)(guang)能(neng)量變(bian)化情況與(yu)被(bei)測氣(qi)體(ti)含量成對應關系,通過檢(jian)測光(guang)(guang)(guang)能(neng)量變(bian)化情況就可以得出被(bei)測氣(qi)體(ti)的(de)(de)濃度。

    3)現場使用(yong)情況

如圖所示,我們優化(hua)了(le)(le)(le)安裝方式,通過特(te)制的(de)一體化(hua)吹(chui)(chui)掃(sao)(sao)管光程系統(tong),避免了(le)(le)(le)焦油、粉塵對(dui)光窗的(de)污染,保證(zheng)了(le)(le)(le)儀(yi)器的(de)長期穩定(ding)運行。通過特(te)制的(de)吹(chui)(chui)掃(sao)(sao)氣控制系統(tong),確保了(le)(le)(le)吹(chui)(chui)掃(sao)(sao)氣的(de)可選擇范圍更(geng)大(da),對(dui)吹(chui)(chui)掃(sao)(sao)氣的(de)質量、流量及壓力做到更(geng)穩定(ding)的(de)控制。

   激光氣體分析儀吹掃單元及安裝示意圖

  激(ji)光氣體(ti)分析儀吹掃單元及安裝示意圖

    4)主要特點

      (1)原位安裝,無需樣品維(wei)護的成(cheng)本及不確定性;

      (2)實時(shi)測(ce)量分析(xi),響(xiang)應時(shi)間快(kuai),不存在滯后(hou)時(shi)間,確保(bao)用戶設備的(de)使用安全;

      (3)吹掃氣的吹掃,確(que)保工藝中(zhong)的水分、粉塵、焦油等有害物質污染光(guang)窗;

      (4)測量靈敏性高,受其它氣體(ti)分子的(de)交叉干擾小;

      (5)采(cai)用二次(ci)諧波技術,防止(zhi)粉塵對測量的干擾;

      (6)緊(jin)湊型的(de)設計,確保(bao)其穩固(gu)耐用(yong);

      (7)內置參比池的設計,可自動標定,確保其測量穩(wen)定;

      (8)自動(dong)增益控制,做到了(le)(le)動(dong)態煙塵(chen)補償,避免(mian)了(le)(le)因工藝粉塵(chen)變化影響(xiang)透光(guang)率(lv);

  5SITRANS SL 原位激光(guang)分析儀圖片展示(shi)

    1)設備圖

     




         SITRANS SL 原位激光分析儀

           SITRANS SL 原位激光分析儀

              SITRANS SL 原位激光分析儀

                

                  SITRANS SL 原位激光分析儀

              SITRANS SL 原位激光分析儀




tag:


優質的服務流程

· quality of service processes ·

掃一掃,微信關注掃一掃,微信關注

Copyright ? 2015-2023 山東新澤儀器有限公司 版權所有
全國熱線:400-050-3910
E-mail:xinzeyiqi@163.com
地址:濟南市槐蔭區太平河南路1567號均和云谷匯智港6號樓
? XML地圖



受信任網站


逛了這么(me)久,何不分析儀工程師?1分鐘留下(xia)信(xin)息(xi)我(wo)們將給您出具解決方案!

在線咨詢

Online Consulting

在線客服
掃一掃,微信(xin)關注

咨詢熱線

400-050-3910