轉爐煤氣SITRANS SL原位激光分析儀
- 品牌:SIEMENS
- 型號:SITRANS SL
- 廠家:西門子
一(yi)、我國轉爐冶煉行業的(de)現(xian)狀
鋼(gang)(gang)鐵行業在我國(guo)(guo)的(de)國(guo)(guo)民經濟中,占有舉(ju)足輕重的(de)地位。作為(wei)全球制造(zao)業中心,中國(guo)(guo)的(de)工業化發(fa)展(zhan)的(de)潛力很(hen)大,經濟的(de)持續增長,會(hui)為(wei)鋼(gang)(gang)鐵行業的(de)發(fa)展(zhan)提供動力。而今,中國(guo)(guo)的(de)鋼(gang)(gang)鐵行業正經歷著兼并重組,淘(tao)汰落后產能,優化產業(ye)布局(ju),發展循環經濟,實現節能減(jian)排的過程。鋼鐵行(xing)業(ye)健康穩(wen)步的發展,關(guan)系重大。
鋼(gang)鐵的冶煉過程(cheng)實質上是(shi)原材料、燃料和成品的流(liu)轉過程(cheng),在流(liu)轉中(zhong)伴隨著大量氣(qi)(qi)體(ti)產生(sheng),而在線檢測分析這些過程(cheng)氣(qi)(qi)體(ti)是(shi)冶金工業生(sheng)產工藝優化控制、安(an)全和環(huan)保監控必不可(ke)少的關鍵技術之一。西(xi)門子(zi)公司是(shi)中(zhong)國(guo)鋼(gang)鐵工業的合(he)作伙(huo)伴,一直致(zhi)力(li)于(yu)推動中(zhong)國(guo)鋼(gang)鐵工業自(zi)動化水平不斷提高。西(xi)門子(zi)分(fen)析儀器能(neng)夠應用(yong)于鋼(gang)(gang)鐵(tie)行業中的煉鋼(gang)(gang)、煉鐵(tie)及燒結等各個裝(zhuang)置,對(dui)降低能(neng)源消耗、保(bao)證生產(chan)安全等起著(zhu)十(shi)分重要的作(zuo)用(yong),還對(dui)鋼(gang)(gang)鐵(tie)企(qi)業增大產(chan)能(neng),提高(gao)產(chan)品質量有積(ji)極的效果。
二、轉爐冶煉為什么要安裝SITRANS SL原位激光(guang)分析儀
轉爐煉鋼的(de)特點(dian)是吞吐量(liang)(liang)大(da)(da)、周期短、冶煉強度(du)高,轉爐生產中(zhong)易產生大(da)(da)量(liang)(liang)煙(yan)氣,其主要成分是煤氣,其中CO約占60%~70%.它是一種有毒、有害、易燃、易爆的危險性氣體.也是一種很好的化工原料和工業生產能源。因此,對轉爐煤氣的凈化與回收是煉鋼中不可忽視的重要部分。過去對煉鋼所產生的氣體都采用直接放散,它不僅污染大氣,破壞了自然環境,還浪費了許多能源。實現轉爐煤氣最大限度回收,對降耗增效,減少大氣污染,節能環保有著巨大的經濟和社會效益。
分析儀在其中測量CO/CO2和O2的值,分別(bie)在二次(ci)除(chu)塵(chen)后,煙道(dao)排放前(qian)以及(ji)氣(qi)柜出口,電除(chu)塵(chen)前(qian)的位置。CO/CO2的(de)檢(jian)測是(shi)保證回收到最有價值的(de)煤氣,O2的(de)檢測(ce)是(shi)避免煤氣中的(de)氧氣含(han)量(liang)過高導致在回收或使用中發生爆(bao)炸。
這兩(liang)個(ge)測量點(dian),采用維護方便,響應(ying)時間(jian)短(duan)的SITRANS SL是一個比較好的選擇。其IP65的防護等級,1區的防爆(bao)設計以及自動(dong)標定的功能完(wan)全可(ke)以滿足現(xian)場惡劣(lie)的工況,保證有(you)效安(an)全的回(hui)收(shou)煤氣(qi)。
在(zai)鋼鐵行業的煤氣回收(shou)中,包括高(gao)爐(lu)煤氣、COREX爐煤(mei)氣(qi)、焦爐煤(mei)氣(qi)等,會(hui)對(dui)煤(mei)氣(qi)中(zhong)H2S的含(han)量(liang)有(you)一(yi)定的要求,分析儀(yi)在煤氣回收(shou)中(zhong)還有(you)一(yi)個應(ying)用(yong)電(dian)就是采用(yong)色(se)譜分析儀(yi)測量(liang)煤氣中(zhong)硫的含(han)量(liang)。
三、選擇西門子(zi)SITRANS SL 原(yuan)位激光分(fen)析(xi)儀的關鍵性
由(you)高爐(lu)煉鐵、氧氣轉爐(lu)煉鋼、最后經(jing)軋(ya)機軋(ya)制組成的“長流程”是當今鋼鐵行業(ye)的主要生產流程,超過(guo)三分之二(er)的鋼材由(you)長流程生產。鐵礦(kuang)石經(jing)高爐(lu)煉制形(xing)成鐵水(shui),在鐵水(shui)中(zhong)包含大量的碳和雜質(如硫、磷等(deng)),為了得到高質量的(de)鋼材,鐵水必須(xu)經(jing)進一步處理,去除碳和雜質。氧(yang)氣轉(zhuan)爐(BOF)是普遍(bian)的(de)煉鋼設備(bei),將鐵水注(zhu)入轉爐,由(you)水冷噴頭向(xiang)轉爐內吹入高壓氧氣。吹入的氧與(yu)鐵水中的碳經過氧化結合生成CO和CO2,并以(yi)爐氣的形(xing)式與鐵水脫離(li)、排放。整個轉爐煉鋼的工藝流(liu)程約15至(zhi)20分鐘。爐氣中的CO 和CO2 可以作為反映轉(zhuan)爐(lu)工作狀態的參(can)數組,通過監測爐(lu)氣(qi)中CO、CO2的含(han)量,可以提高轉(zhuan)爐的工作(zuo)效(xiao)率。SITRANS SL 原位激光分(fen)析儀的(de)快速(su)相應能夠精確地確定整個工藝的(de)結束時(shi)間,節約大(da)量的(de)氧氣(qi)與能量,優化(hua)整個流(liu)程。轉爐(lu)氣(qi)體中含有大(da)量的(de)CO,可以作為可燃煤(mei)氣(qi)回收(shou),此類高CO氣(qi)體的(de)回收處理需特別注重防爆安(an)全。測量快速、準確、無(wu)干擾是(shi)SITRANS SL原位(wei)激光分(fen)析儀的特點之(zhi)一(yi),使用(yong)SITRANS SL 原位激光分析(xi)儀監測轉爐回(hui)收煤(mei)氣中的氧含量可以增(zeng)強安(an)全性(xing)。
四、選(xuan)擇(ze)SITRANS SL 原位(wei)激光分析儀正確的選(xuan)擇(ze)
1、SITRANS SL 原位激光(guang)分析儀產品(pin)簡介
SITRANS SL是(shi)一款借助(zhu)不同氣(qi)(qi)(qi)(qi)體(ti)(ti)組(zu)份特定(ding)光(guang)(guang)(guang)吸(xi)收(shou)的(de)(de)(de)(de)(de)測(ce)量(liang)原理(li)的(de)(de)(de)(de)(de)二極管激(ji)(ji)光(guang)(guang)(guang)氣(qi)(qi)(qi)(qi)體(ti)(ti)分析儀。SITRANS SL適(shi)合于過(guo)程或(huo)燃料氣(qi)(qi)(qi)(qi)體(ti)(ti)中(zhong)(zhong)的(de)(de)(de)(de)(de)氣(qi)(qi)(qi)(qi)體(ti)(ti)濃度(du)的(de)(de)(de)(de)(de)快(kuai)速(su)(su)和(he)(he)非接(jie)觸測(ce)量(liang)。傳感器(qi)(發射器(qi)和(he)(he)接(jie)收(shou)器(qi)) 只需直(zhi)接(jie)安裝在監測(ce)的(de)(de)(de)(de)(de)工(gong)藝氣(qi)(qi)(qi)(qi)體(ti)(ti)管道上,無(wu)(wu)需采(cai)樣系統。處理(li)測(ce)量(liang)信號為(wei)一個(ge)濃度(du)值、監控(kong)、控(kong)制和(he)(he)通(tong)訊服務的(de)(de)(de)(de)(de)硬件都(dou)被(bei)集成于這(zhe)兩(liang)個(ge)主要(yao)的(de)(de)(de)(de)(de)模(mo)塊(kuai)中(zhong)(zhong)。該傳感器(qi)是(shi)為(wei)嚴厲環境條件下的(de)(de)(de)(de)(de)操(cao)作而(er)設計的(de)(de)(de)(de)(de)。激(ji)(ji)光(guang)(guang)(guang)從變速(su)(su)器(qi)被(bei)發送(song),穿過(guo)過(guo)程氣(qi)(qi)(qi)(qi)體(ti)(ti),到達(da)接(jie)收(shou)器(qi)端(duan)上的(de)(de)(de)(de)(de)檢(jian)測(ce)器(qi)。測(ce)量(liang)是(shi)通(tong)過(guo)借助(zhu)一個(ge)非常短的(de)(de)(de)(de)(de)響應(ying)時間而(er)在線(xian)地執行的(de)(de)(de)(de)(de),允許過(guo)程控(kong)制中(zhong)(zhong)快(kuai)速(su)(su)和(he)(he)有效的(de)(de)(de)(de)(de)成本(ben)(ben)節(jie)省。激(ji)(ji)光(guang)(guang)(guang)的(de)(de)(de)(de)(de)本(ben)(ben)質特性決定(ding)了(le)單(dan)一的(de)(de)(de)(de)(de)光(guang)(guang)(guang)譜可(ke)以不受干擾。由于激(ji)(ji)光(guang)(guang)(guang)的(de)(de)(de)(de)(de)帶寬(kuan)特別窄,只有吸(xi)收(shou)光(guang)(guang)(guang)譜與之相吻合的(de)(de)(de)(de)(de)氣(qi)(qi)(qi)(qi)體(ti)(ti)組(zu)分才能夠有(吸(xi)收(shou))反應(ying)。由于激(ji)(ji)光(guang)(guang)(guang)技術所(suo)固有的(de)(de)(de)(de)(de)優(you)秀補(bu)償(chang)能力,所(suo)以來自(zi)其它方面(mian)的(de)(de)(de)(de)(de)干擾,例(li)如(ru)灰塵和(he)(he)溫度(du),就(jiu)可(ke)很容易地被(bei)去除。在線(xian)的(de)(de)(de)(de)(de)內置(zhi)參(can)比池充滿了(le)無(wu)(wu)干擾參(can)比氣(qi)(qi)(qi)(qi)體(ti)(ti),是(shi)已存在的(de)(de)(de)(de)(de)西門(men)子TDL(可(ke)調諧(xie)二極管激(ji)(ji)光(guang)(guang)(guang))技術優(you)勢的(de)(de)(de)(de)(de)進一步發展,無(wu)(wu)需人為(wei)自(zi)標定(ding)而(er)且(qie)維修要(yao)求低(di)。
2、選(xuan)擇SITRANS SL 原(yuan)位(wei)激(ji)光分析儀的理(li)由
我國目前(qian)主(zhu)要(yao)采(cai)(cai)用(yong)(yong)(yong)(yong)電(dian)捕(bu)焦(jiao)油器(qi)捕(bu)集煤(mei)(mei)(mei)氣(qi)(qi)中(zhong)(zhong)(zhong)的(de)焦(jiao)油霧。電(dian)捕(bu)焦(jiao)油器(qi)是(shi)利用(yong)(yong)(yong)(yong)高壓靜(jing)電(dian)作用(yong)(yong)(yong)(yong)下產生正負極(ji),使(shi)煤(mei)(mei)(mei)氣(qi)(qi)中(zhong)(zhong)(zhong)的(de)焦(jiao)油霧在隨煤(mei)(mei)(mei)氣(qi)(qi)通過電(dian)捕(bu)焦(jiao)油器(qi)時,由于受到高壓電(dian)場的(de)作用(yong)(yong)(yong)(yong)被捕(bu)集下來。由于煤(mei)(mei)(mei)氣(qi)(qi)易燃(ran)易爆(bao),如果煤(mei)(mei)(mei)氣(qi)(qi)中(zhong)(zhong)(zhong)混有氧(yang)氣(qi)(qi),當(dang)煤(mei)(mei)(mei)氣(qi)(qi)與氧(yang)氣(qi)(qi)的(de)混合比例達到爆(bao)炸極(ji)限時就(jiu)會發生爆(bao)炸。因此氧(yang)含量的(de)控制(zhi)至關重(zhong)要(yao)。而對O2濃度(du)(du)的(de)在線(xian)檢測主(zhu)要(yao)采(cai)(cai)用(yong)(yong)(yong)(yong)傳統(tong)的(de)抽(chou)取式(shi)氣(qi)(qi)體分析儀(yi)(yi)。這(zhe)一技術對氣(qi)(qi)體潔凈度(du)(du)的(de)要(yao)求十分苛刻,而氣(qi)(qi)體檢測采(cai)(cai)樣(yang)過程當(dang)中(zhong)(zhong)(zhong)的(de)粉塵(chen)、焦(jiao)油和(he)液滴(di)等(deng)(deng)其它雜質,很容易污染(ran)分析儀(yi)(yi)內部元器(qi)件,造成(cheng)采(cai)(cai)樣(yang)分析錯誤。在實(shi)際應(ying)用(yong)(yong)(yong)(yong)中(zhong)(zhong)(zhong), 需要(yao)通過蒸汽引射(she)探(tan)頭(tou)取樣(yang)、多級除塵(chen)、除硫(liu)、除萘、除焦(jiao)油、除酸霧、除水(shui)等(deng)(deng)、增壓穩(wen)壓、穩(wen)流、快速回(hui)路、伴熱保溫等(deng)(deng)樣(yang)品處理(li)方式(shi)來完成(cheng)氣(qi)(qi)體潔凈度(du)(du)的(de)要(yao)求,確保所使(shi)用(yong)(yong)(yong)(yong)的(de)磁氧(yang)分析儀(yi)(yi)能夠(gou)準確分析及(ji)長期使(shi)用(yong)(yong)(yong)(yong)。
由此可見,抽取式氣體(ti)(ti)分(fen)(fen)(fen)析(xi)(xi)儀(yi)完全依(yi)賴于氣體(ti)(ti)的采(cai)(cai)樣和(he)(he)預(yu)(yu)處(chu)理系統。如果一旦氣體(ti)(ti)的采(cai)(cai)樣和(he)(he)預(yu)(yu)處(chu)理達(da)不到分(fen)(fen)(fen)析(xi)(xi)儀(yi)的要求(qiu)(qiu),儀(yi)器(qi)就會處(chu)于癱瘓狀態,同時(shi)要求(qiu)(qiu)日(ri)常維護工(gong)作(zuo)量(liang)與維護的投入較大。整(zheng)個分(fen)(fen)(fen)析(xi)(xi)過程的采(cai)(cai)樣管(guan)線及(ji)預(yu)(yu)處(chu)理和(he)(he)分(fen)(fen)(fen)析(xi)(xi)儀(yi)之(zhi)間距離較長,導致系統響應時(shi)間長,分(fen)(fen)(fen)析(xi)(xi)反應遲滯,不能很(hen)好地滿足工(gong)業過程實時(shi)控制的要求(qiu)(qiu)。

焦(jiao)爐煤氣電捕(bu)焦(jiao)油器典型工況
3、激光氣(qi)體分(fen)析(xi)儀(yi)測量(liang)原(yuan)理(li)及(ji)SITRANS SL型激光分(fen)析(xi)儀(yi)的(de)特點(dian)
由于各(ge)物質分子內部結構不(bu)(bu)同,分子的(de)(de)能級(ji)也千(qian)差萬別,各(ge)能級(ji)之間的(de)(de)間隔也互不(bu)(bu)相(xiang)同,這就決定了它們選(xuan)擇性地吸收(shou)不(bu)(bu)同波(bo)長(chang)的(de)(de)光(guang)線。
激(ji)光分(fen)析儀正(zheng)是依據分(fen)子的(de)特(te)征吸(xi)收譜,以比爾-朗波特(te)定律為理論基(ji)礎,充分(fen)發(fa)揮激(ji)光的(de)單色性(xing)、方向性(xing)與高亮度(du)等特(te)性(xing),實現對某(mou)種特(te)定氣體(ti)(ti)(ti)進行(xing)濃度(du)分(fen)析。如果已知某(mou)種氣體(ti)(ti)(ti)成分(fen)的(de)特(te)征吸(xi)收波長(chang)和吸(xi)收常數,利用(yong)激(ji)光光源的(de)強單色性(xing),使波長(chang)正(zheng)好等于該成分(fen)吸(xi)收波長(chang)的(de)光透過氣體(ti)(ti)(ti),檢測并分(fen)析得到(dao)光的(de)吸(xi)收強度(du),結合激(ji)光在氣體(ti)(ti)(ti)中的(de)傳(chuan)播路徑,就能得到(dao)待測成分(fen)的(de)濃度(du)。測量原理示意如圖1所示:

圖1 激光氣體分析儀測量原理示意圖與傳統氣體分析儀相比較,西門子的SITRANSSL 型激光氣體分析儀有如下優點:
(1)為(wei)提高測(ce)量靈敏性(xing),減(jian)少其它氣(qi)(qi)體(ti)(ti)分(fen)(fen)子的干擾(rao),儀器采用了波長調制技術:將激(ji)光束的波長調節成(cheng)被測(ce)氣(qi)(qi)體(ti)(ti)分(fen)(fen)子所(suo)吸(xi)收的特定波長, 其它氣(qi)(qi)體(ti)(ti)分(fen)(fen)子對激(ji)光束不(bu)再(zai)產生吸(xi)收,解決了背景氣(qi)(qi)體(ti)(ti)的交(jiao)叉干擾(rao)問題。
(2)“二(er)(er)次諧(xie)波處(chu)理”方(fang)法和“自動(dong)增(zeng)(zeng)(zeng)(zeng)益(yi)(yi)控(kong)(kong)制(zhi)”技術(shu)專(zhuan)用于(yu)(yu)濾除(chu)粉(fen)(fen)塵(chen)(chen)影響及粉(fen)(fen)塵(chen)(chen)動(dong)態變化(hua)的(de)(de)(de)情(qing)況。激光分(fen)析(xi)儀接(jie)收到的(de)(de)(de)信(xin)(xin)(xin)號(hao)(hao)(hao)弱于(yu)(yu)發射信(xin)(xin)(xin)號(hao)(hao)(hao)的(de)(de)(de)強(qiang)度(du)(du)(du),這(zhe)是(shi)(shi)粉(fen)(fen)塵(chen)(chen)阻擋與(yu)氣(qi)體(ti)(ti)吸收共同(tong)作用的(de)(de)(de)結果。粉(fen)(fen)塵(chen)(chen)對(dui)信(xin)(xin)(xin)號(hao)(hao)(hao)的(de)(de)(de)影響是(shi)(shi)遮擋,信(xin)(xin)(xin)號(hao)(hao)(hao)強(qiang)度(du)(du)(du)在整個(ge)(ge)頻(pin)(pin)譜范圍內(nei)均有減弱,而氣(qi)體(ti)(ti)分(fen)子是(shi)(shi)有選擇性(xing)地(di)吸收,可以(yi)理解為是(shi)(shi)某(mou)個(ge)(ge)頻(pin)(pin)率的(de)(de)(de)函數(shu)。“二(er)(er)次諧(xie)波處(chu)理”是(shi)(shi)將(jiang)信(xin)(xin)(xin)號(hao)(hao)(hao)以(yi)數(shu)學(xue)級數(shu)的(de)(de)(de)方(fang)式展(zhan)開,只(zhi)針對(dui)展(zhan)開式的(de)(de)(de)二(er)(er)次諧(xie)波信(xin)(xin)(xin)號(hao)(hao)(hao)進行分(fen)析(xi),這(zhe)樣就可以(yi)確保(bao)消除(chu)粉(fen)(fen)塵(chen)(chen)等干擾(rao)信(xin)(xin)(xin)號(hao)(hao)(hao),將(jiang)粉(fen)(fen)塵(chen)(chen)等影響完(wan)全(quan)去除(chu)。“自動(dong)增(zeng)(zeng)(zeng)(zeng)益(yi)(yi)控(kong)(kong)制(zhi)”是(shi)(shi)一項(xiang)智能(neng)控(kong)(kong)制(zhi)技術(shu),根據接(jie)收到的(de)(de)(de)信(xin)(xin)(xin)號(hao)(hao)(hao)強(qiang)度(du)(du)(du)自動(dong)調(diao)節(jie)增(zeng)(zeng)(zeng)(zeng)益(yi)(yi)值,特別是(shi)(shi)當粉(fen)(fen)塵(chen)(chen)含量動(dong)態變化(hua)時,縱然原始接(jie)收信(xin)(xin)(xin)號(hao)(hao)(hao)的(de)(de)(de)幅度(du)(du)(du)變化(hua)劇烈,經自動(dong)增(zeng)(zeng)(zeng)(zeng)益(yi)(yi)處(chu)理后(hou),總(zong)能(neng)限(xian)制(zhi)在某(mou)一適當的(de)(de)(de)幅度(du)(du)(du)范圍,既不(bu)過于(yu)(yu)微弱,也不(bu)會產生飽(bao)和失真的(de)(de)(de)狀況。正是(shi)(shi)由于(yu)(yu)采用“二(er)(er)次諧(xie)波處(chu)理”技術(shu),不(bu)會因為信(xin)(xin)(xin)號(hao)(hao)(hao)經“自動(dong)增(zeng)(zeng)(zeng)(zeng)益(yi)(yi)控(kong)(kong)制(zhi)”調(diao)控(kong)(kong)幅度(du)(du)(du)而影響分(fen)析(xi)的(de)(de)(de)準(zhun)確性(xing),兩者相(xiang)(xiang)輔(fu)相(xiang)(xiang)成。
(3)分(fen)析儀器帶自(zi)動標(biao)定(ding)功能。通過在光路上增加(jia)氧同(tong)位素模塊,使(shi)得儀器在每個分(fen)析周(zhou)期都可以使(shi)用同(tong)位素的頻譜進(jin)行自(zi)我標(biao)定(ding),確保(bao)儀器的零點和量程(cheng)沒有漂移,具備長期運行穩定(ding)性。
(4)無(wu)需采(cai)樣預處(chu)理系統,具(ju)有現場安裝測量、測量精度(du)高、響應(ying)速度(du)快等優點(dian)。
(5)激光分析(xi)儀具備ATEX II 2G Ex de op is IIC T6 / II 2 D Ex tD A21 IP65 T85 ?C認證,適用于更(geng)多的危(wei)險環境應用。
4、SITRANS SL 原(yuan)位激光分(fen)析儀應用
為了能(neng)夠使激光氣體分析(xi)儀準(zhun)確而又有效的(de)應用于電捕(bu)焦(jiao)油(you)器(qi)出口的(de)氧含量檢測這(zhe)一特殊情況,基于激光氣體分析(xi)儀的(de)工(gong)作原(yuan)理及(ji)電捕(bu)焦(jiao)油(you)器(qi)出口的(de)現狀,我們(men)選擇了SIEMENS SITRANS SL激光分析(xi)儀及(ji)與(yu)其配套的(de)安裝吹掃方(fang)式(shi)。
1)、激光氣體分析儀主(zhu)要由帶吹掃單(dan)元(yuan)的發射裝(zhuang)置、帶吹掃單(dan)元(yuan)的接(jie)收裝(zhuang)置及處(chu)理(li)單(dan)
元構(gou)成工(gong)作原理,如(ru)圖所顯示。

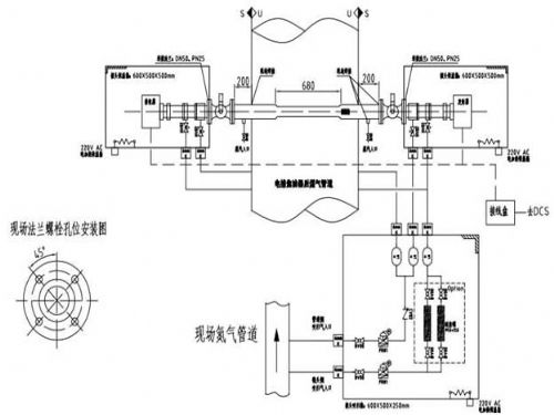
2)、激光氣體分析儀測量示意圖
其原理是:發(fa)射(she)裝(zhuang)置和接受(shou)裝(zhuang)置通過法蘭安裝(zhuang)在(zai)現(xian)場(chang)的(de)(de)氣(qi)體(ti)管(guan)(guan)道(dao)的(de)(de)兩側(ce),發(fa)射(she)裝(zhuang)置發(fa)出(chu)的(de)(de)紅外激光發(fa)射(she)到氣(qi)體(ti)管(guan)(guan)道(dao)另一(yi)側(ce)的(de)(de)接收裝(zhuang)置上,由于管(guan)(guan)道(dao)內被(bei)測(ce)(ce)氣(qi)體(ti)分子對激光束進行單線光譜吸(xi)收,導致激光某(mou)一(yi)吸(xi)收譜線的(de)(de)光能量發(fa)生改(gai)變,光能量變化情(qing)況與被(bei)測(ce)(ce)氣(qi)體(ti)含量成對應關系,通過檢測(ce)(ce)光能量變化情(qing)況就可以得出(chu)被(bei)測(ce)(ce)氣(qi)體(ti)的(de)(de)濃度。
3)、現場使(shi)用情況(kuang)
如圖所示,我們(men)優化了(le)安裝方式,通過(guo)特(te)制(zhi)的一(yi)體(ti)(ti)化吹掃(sao)(sao)管光(guang)程系統(tong)(tong),避免了(le)焦油、粉塵對光(guang)窗的污(wu)染,保證了(le)儀器的長期穩定(ding)運行。通過(guo)特(te)制(zhi)的吹掃(sao)(sao)氣控(kong)制(zhi)系統(tong)(tong),確保了(le)吹掃(sao)(sao)氣的可(ke)選擇范圍更大,對吹掃(sao)(sao)氣的質量、流(liu)量及壓力做到更穩定(ding)的控(kong)制(zhi)。

激光氣體分(fen)析(xi)儀吹掃單元及(ji)安裝(zhuang)示意圖
4)、主(zhu)要特點
(1)原位安裝,無需樣品維護(hu)的成本及不(bu)確定性;
(2)實(shi)時測量分(fen)析(xi),響應時間(jian)快,不(bu)存在滯后時間(jian),確保用戶(hu)設備的(de)使用安全;
(3)吹(chui)掃氣(qi)的(de)吹(chui)掃,確保(bao)工藝中的(de)水分、粉塵(chen)、焦油等有害(hai)物質污染光窗;
(4)測(ce)量靈敏性高(gao),受(shou)其它氣(qi)體分(fen)子(zi)的交叉干擾小;
(5)采用二次諧波(bo)技術,防止粉塵對測量(liang)的干擾;
(6)緊湊型的設計,確保其穩(wen)固耐用;
(7)內置參比池的設計(ji),可自動標(biao)定(ding),確保其測量穩定(ding);
(8)自(zi)動增(zeng)益控制(zhi),做(zuo)到了(le)動態煙塵(chen)補償(chang),避免了(le)因工藝粉塵(chen)變(bian)化(hua)影響透光(guang)率(lv);
5、SITRANS SL 原位激光分析儀圖片展示
1)設備(bei)圖





- ULTRAMAT/OXYMAT6紅外氣體分析儀2023-04-06
- OXYMAT61氧含量在線分析儀2016-08-19
- 西門子OXYMAT6型氧氣分析儀2016-04-04
- CALOMAT6E/F/Ex熱導系列分析儀2016-03-29
- LDS6激光氣體分析儀2016-03-29
- ULTRAMAT6紅外線氣體分析儀2016-03-29
- ULTRAMAT23多組份氣體分析儀2016-03-29
- SITRANS SL 原位激光分析儀2016-03-29
- 高爐煤氣OXYMAT6氧含量分析儀2016-03-29
- 轉爐煤氣OXYMAT6氧含量分析儀2016-03-29
- 煙氣排放連續監測系統2023-05-06
- 抽取式超低粉塵儀2023-05-06
- 氨逃逸在線監測設備2023-05-06
- 環境空氣非甲烷總烴連續監測系統2023-05-06
- 污染源VOCs監測系統2023-05-06
- 二氧化碳(CO2)排放連續監測系統2023-05-06
- 廢氣非甲烷總烴在線監測系統2022-04-06
- 冶金行業在線氣體分析系統2023-05-06
- 乙炔中氧氣含量分析系統2023-05-06
- 防爆型煙氣連續排放監測系統2023-05-06


當前位置:

需求溝通傾聽客戶需求,了解用戶使用環境和現場工況
方案設計根據現場實際工況,針對性出具解決方案
合同簽訂技術和商務規范確認,簽訂合作協議
產品制作選擇最優質的元器件,嚴格按照技術協議
調試安裝現場規范安裝,靜態動態調試,分析儀運行
售后服務后續維護,持續跟進,終身維修


咨詢熱線